EasyManua.ls Logo

OEM PF 33 MT - Schema Elettrico Monofase

OEM PF 33 MT
Print Icon
To Next Page IconTo Next Page
To Next Page IconTo Next Page
To Previous Page IconTo Previous Page
To Previous Page IconTo Previous Page
Loading...
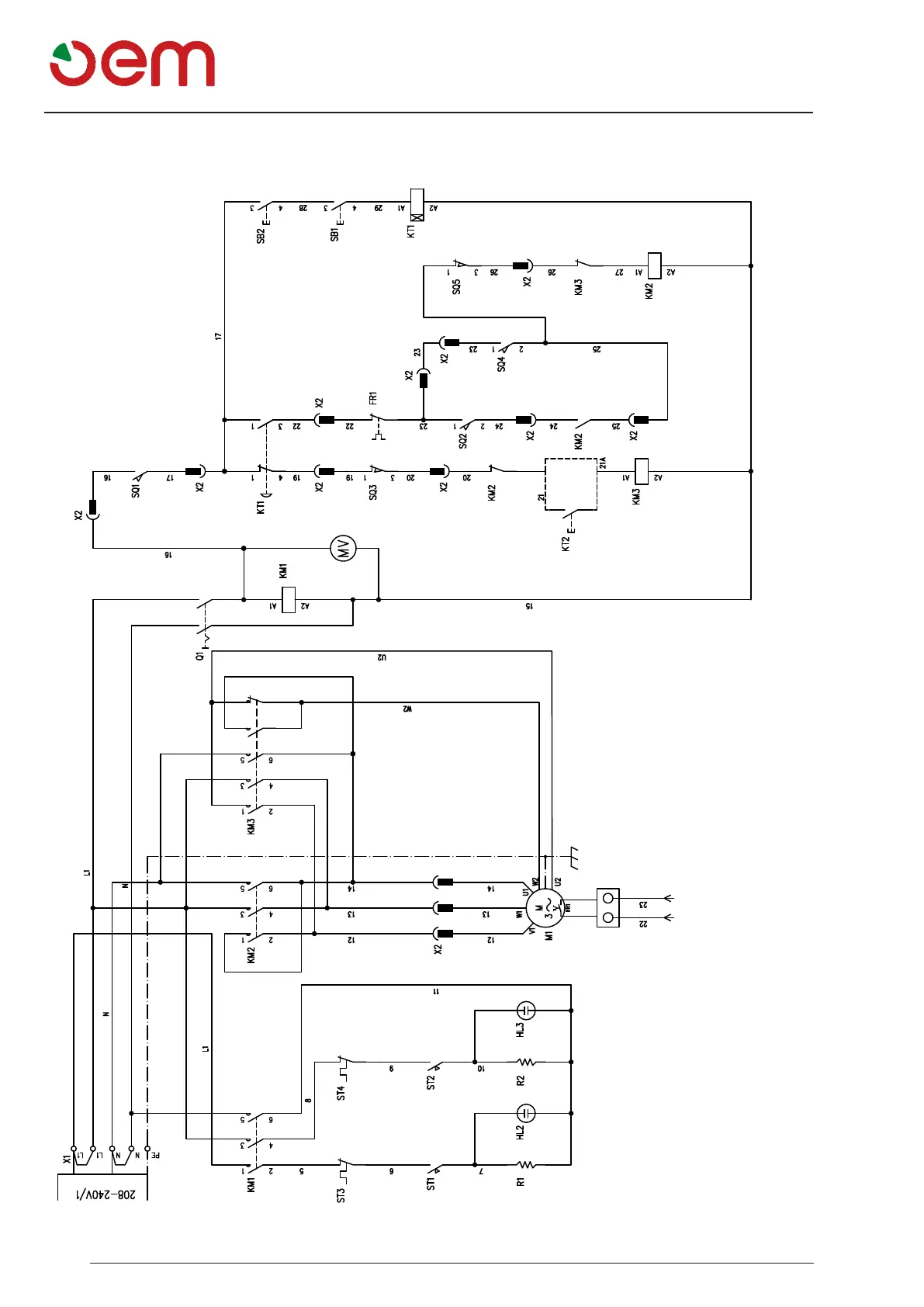
PF 33 MT - PF 46 MT
Schema elettrico
I - 26


Table of Contents

Related product manuals