EasyManua.ls Logo

Olec OLITE - 7. Wiring Diagrams; Lamphead Wiring Diagrams (Various AL Models)

Olec OLITE
118 pages
Print Icon
To Next Page IconTo Next Page
To Next Page IconTo Next Page
To Previous Page IconTo Previous Page
To Previous Page IconTo Previous Page
Loading...
94MS20 Rev. B5 7-1
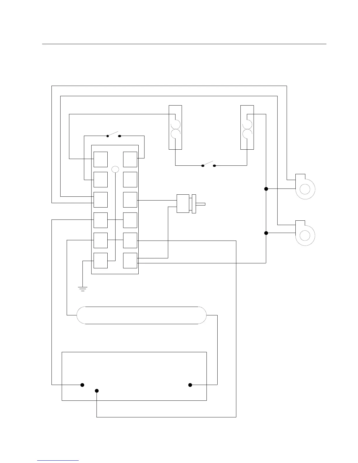
7. Wiring Diagrams
Lamphead for AL 83, 84, 84-480, 85, 56, 56-480, 53, 54, 54-480, 55, 55-
480, 50, 35, 25, 25-2, 23
12
10
8
6
4
2
Shutter Position Switch
11
9
7
5
3
1
Shutter Motor
Lamp
Trigger Board
Blowers
Thermostat Thermostat
Safety Glass Switch

Table of Contents