EasyManua.ls Logo

Olec OLITE - AL 25 Power Supply

Olec OLITE
118 pages
Print Icon
To Next Page IconTo Next Page
To Next Page IconTo Next Page
To Previous Page IconTo Previous Page
To Previous Page IconTo Previous Page
Loading...
7-14 94MS20 Rev. B5
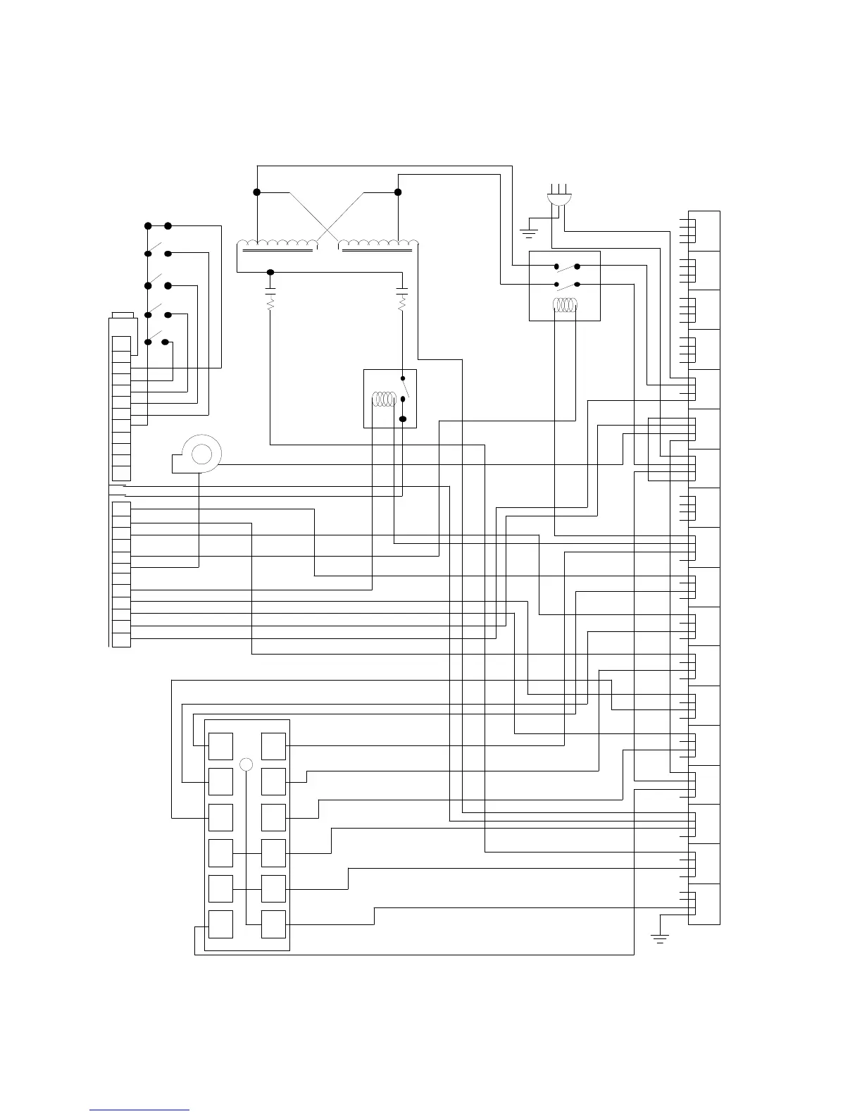
AL 25 Power Supply
Power
High
Medium
Expose
Safety Interlock
Din
Socket
Power Relay
Ballast
High
Relay
208/240 VAC
INPUT
Power
Supply
Blower
Ballast
11
9
7
5
3
1
12
10
8
6
4
2
Interconnecting
Beau Plug
Connector
12µƒ
12µƒ
COM COM
1
2
3
4
5
6
7
8
9
10
11
12
1
2
3
4
5
6
7
8
9
10
11
12
P
O
W
E
R
C
O
N
T
R
O
L
B
O
A
R
D
P2
P1
18
17
16
15
14
blk
13
wht
12
red
11
10
blk
9
clear
8
brn
7
org
6
red
5
blu
4
wht
3
pur
2
yel
1
grn/
yel
P
O
W
E
R
S
U
P
P
L
Y
T
E
R
M
I
N
A
L
S
T
R
I
P
Toward
front of unit
Toward
center of unit
gry
org
brn
red/wht
org/wht
blu/wht
red
blu
wht
blk
wht
blu
120120

Table of Contents