EasyManua.ls Logo

Olec OLITE - AL 54,55 Power Supply

Olec OLITE
118 pages
Print Icon
To Next Page IconTo Next Page
To Next Page IconTo Next Page
To Previous Page IconTo Previous Page
To Previous Page IconTo Previous Page
Loading...
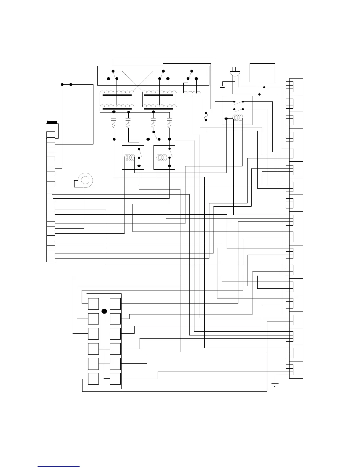
7-8 94MS20 Rev. B5
AL 54,55 Power Supply
Safety Interlock
Din
Socket
1
2
3
4
5 wht
6
7
8
9
10 blu
11
12
1 blk
2 wht
3 blu
4 red
5 blu/wht
6 brn/wht
7 org/wht
8 red/wht
9
10 brn
11 org
12 gry
18
17
16
15
14
blk
13
wht
12
red
11
10
blk
9
clear
8
brn
7
org
6
red
5
blu
4
wht
3
pur
2
yel
1
grn/
yel
Power Relay
P
O
W
E
R
S
U
P
P
L
Y
T
E
R
M
I
N
A
L
S
T
R
I
P
Voltage
Selection Board
240 208240208 240 208
120 0
Tap Switch
Ballast
High
Relay
208/240 V~
INPUT
3 Amp
Slow Blow
Fuse
P
O
W
E
R
C
O
N
T
R
O
L
B
O
A
R
D
12µƒ 16µƒ12µƒ16µƒ
Power
Supply
Blower
Ballast
11
9
7
5
3
1
12
10
8
6
4
2
Interconnecting
Beau Plug
Connector
Position 1
Position 2
Medium
Relay
COM COM
Toward
front of unit
Toward
center of unit
P2
P1

Table of Contents