EasyManua.ls Logo

Olec OLITE - AL 54-480,55-480 Power Supply

Olec OLITE
118 pages
Print Icon
To Next Page IconTo Next Page
To Next Page IconTo Next Page
To Previous Page IconTo Previous Page
To Previous Page IconTo Previous Page
Loading...
94MS20 Rev. B5 7-9
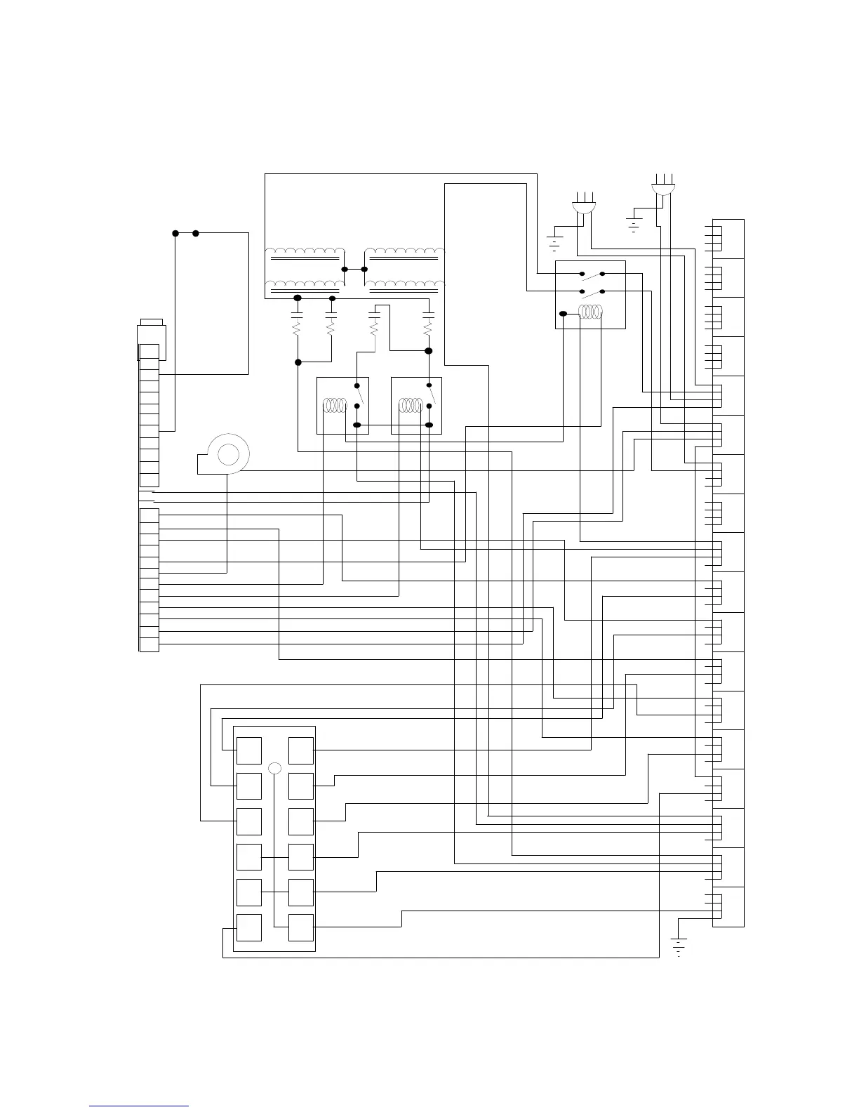
AL 54-480,55-480 Power Supply
Safety Interlock
Din
Socket
1
2
3
4
5 wht
6
7
8
9
10 blu
11
12
1 blk
2 wht
3 blu
4 red
5 blu/wht
6 brn/wht
7 org/wht
8 red/wht
9
10 brn
11 org
12 gry
18
17
16
15
14
blk
13
wht
12
red
11
10
blk
9
clear
8
brn
7
org
6
red
5
blu
4
wht
3
pur
2
yel
1
grn/
yel
Power Relay
P
O
W
E
R
S
U
P
P
L
Y
T
E
R
M
I
N
A
L
S
T
R
I
P
Ballast
High
Relay
480 VAC 60Hz
INPUT
P
O
W
E
R
C
O
N
T
R
O
L
B
O
A
R
D
16µƒ 16µƒ
10µƒ 10µƒ
Power
Supply
Blower
Ballast
11
9
7
5
3
1
12
10
8
6
4
2
Interconnecting
Beau Plug
Connector
Medium
Relay
Toward
front of unit
Toward
center of unit
277
277
Com
120 VAC
INPUT
P2
P1

Table of Contents