EasyManua.ls Logo

Olec OLITE - Lamphead for al 100

Olec OLITE
118 pages
Print Icon
To Next Page IconTo Next Page
To Next Page IconTo Next Page
To Previous Page IconTo Previous Page
To Previous Page IconTo Previous Page
Loading...
7-2 94MS20 Rev. B5
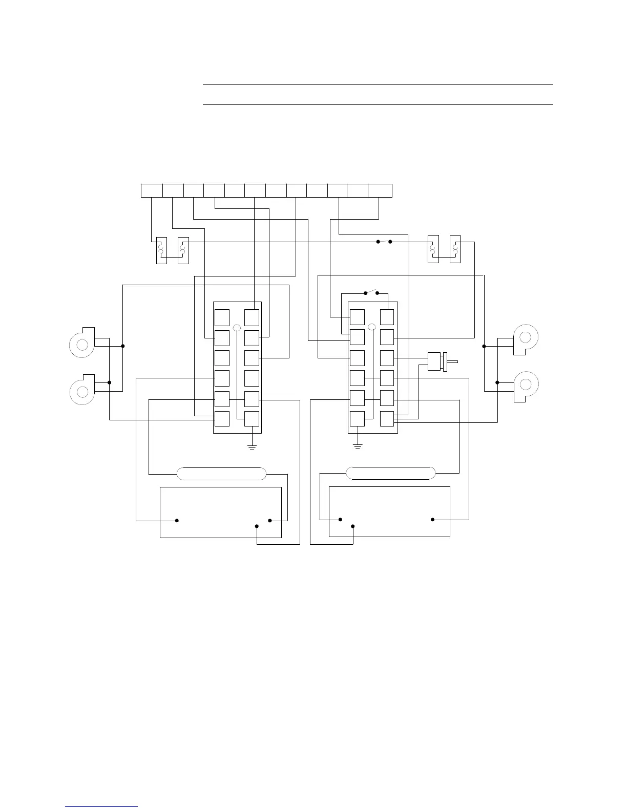
Lamphead for AL 100
Note: AL100 uses two AL 53 power supplies
1 2 3 4 5 6 7 8 9 10 11 12
Shutter Position Switch
Safety
Glass
Switch
Thermostats
Thermostats
Shutter Motor
Blowers
Blowers
2
4
6
8
10
12
1
3
5
7
9
11
1
3
5
7
9
11
2
4
6
8
10
12
Trigger Board Trigger Board
Lamp
Lamp

Table of Contents