EasyManua.ls Logo

Olec OLITE - ALI 15 Power Supply

Olec OLITE
118 pages
Print Icon
To Next Page IconTo Next Page
To Next Page IconTo Next Page
To Previous Page IconTo Previous Page
To Previous Page IconTo Previous Page
Loading...
7-18 94MS20 Rev. B5
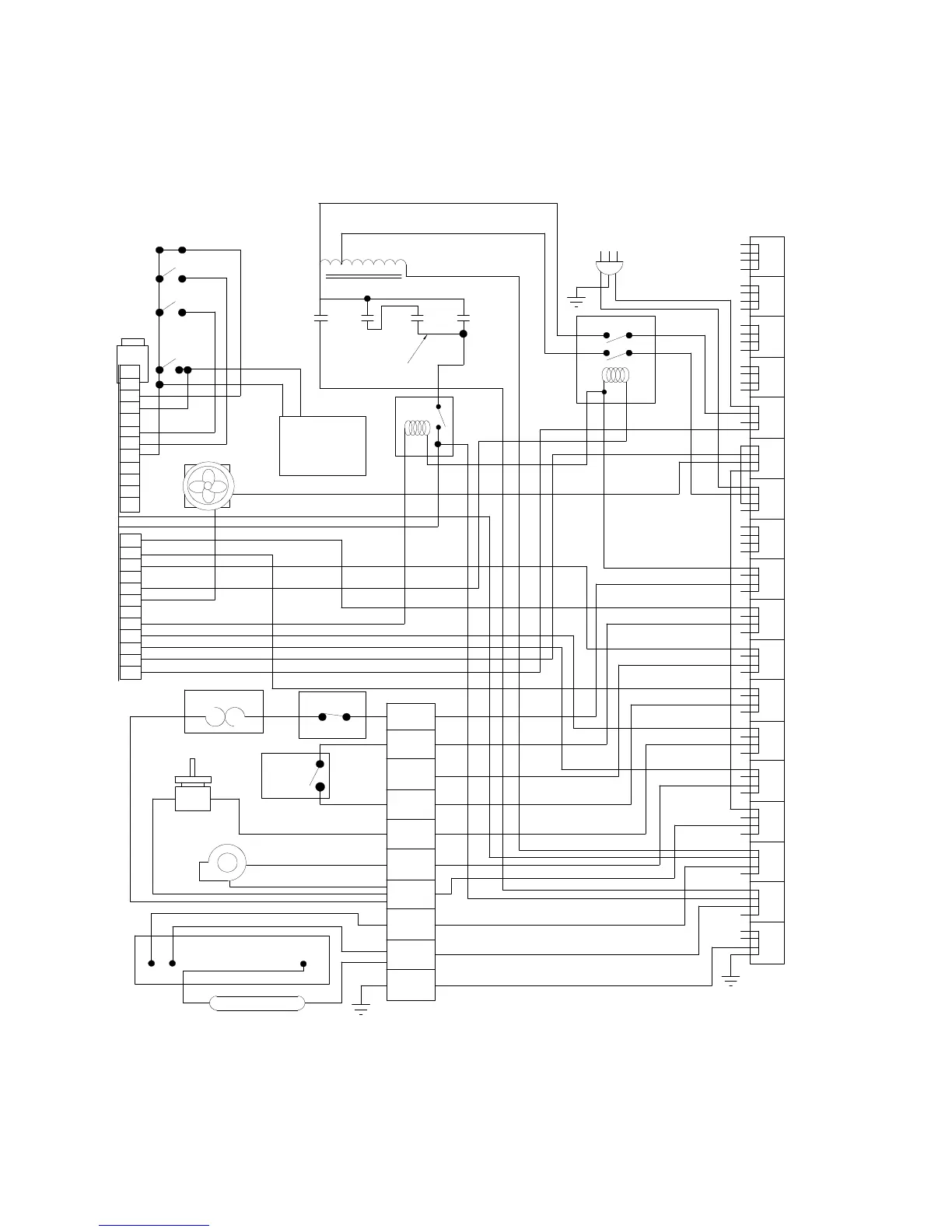
ALI 15 Power Supply
Din
Socket
1
2
3
4
5
6
7
8
9
10
11
12
1
2
3
4
5
6
7
8
9
10
11
12
P
O
W
E
R
S
U
P
P
L
Y
T
E
R
M
I
N
A
L
S
T
R
I
P
P
O
W
E
R
C
O
N
T
R
O
L
B
O
A
R
D
18
17
16
15
14
blk
13
wht
12
red
11
10
blk
9
clear
8
brn
7
org
6
red
5
blu
4
wht
3
pur
2
yel
1
grn/
yel
Toward
front of unit
Toward
center of unit
gry
org
brn
red/wht
org/wht
brn/wht
blu/wht
red
blu
wht
blk
wht
blu
Safety Glass
Switch
Power
High
Expose
Safety Interlock
120
Ballast
High
Relay
Power Relay
120 VAC
INPUT
Power
Supply
Fan
CAP
COM
16µƒ
16µƒ
16µƒ
16µƒ
Jumper installed when
using L1150A lamp.
Jumper removed when
using L1150B lamp.
10
9
8
7
6
5
4
3
2
1
L
A
M
P
H
E
A
D
T
E
R
M
I
N
A
L
S
T
R
I
P
Thermostat
Shutter
Position
Switch
Shutter
Motor
Trigger Board
Lamp
Blower
Exposure
Integrator
Board
COM

Table of Contents