EasyManua.ls Logo

Omron SYSMAC C200H-NC112 - Page 40

Omron SYSMAC C200H-NC112
185 pages
Print Icon
To Next Page IconTo Next Page
To Next Page IconTo Next Page
To Previous Page IconTo Previous Page
To Previous Page IconTo Previous Page
Loading...
31
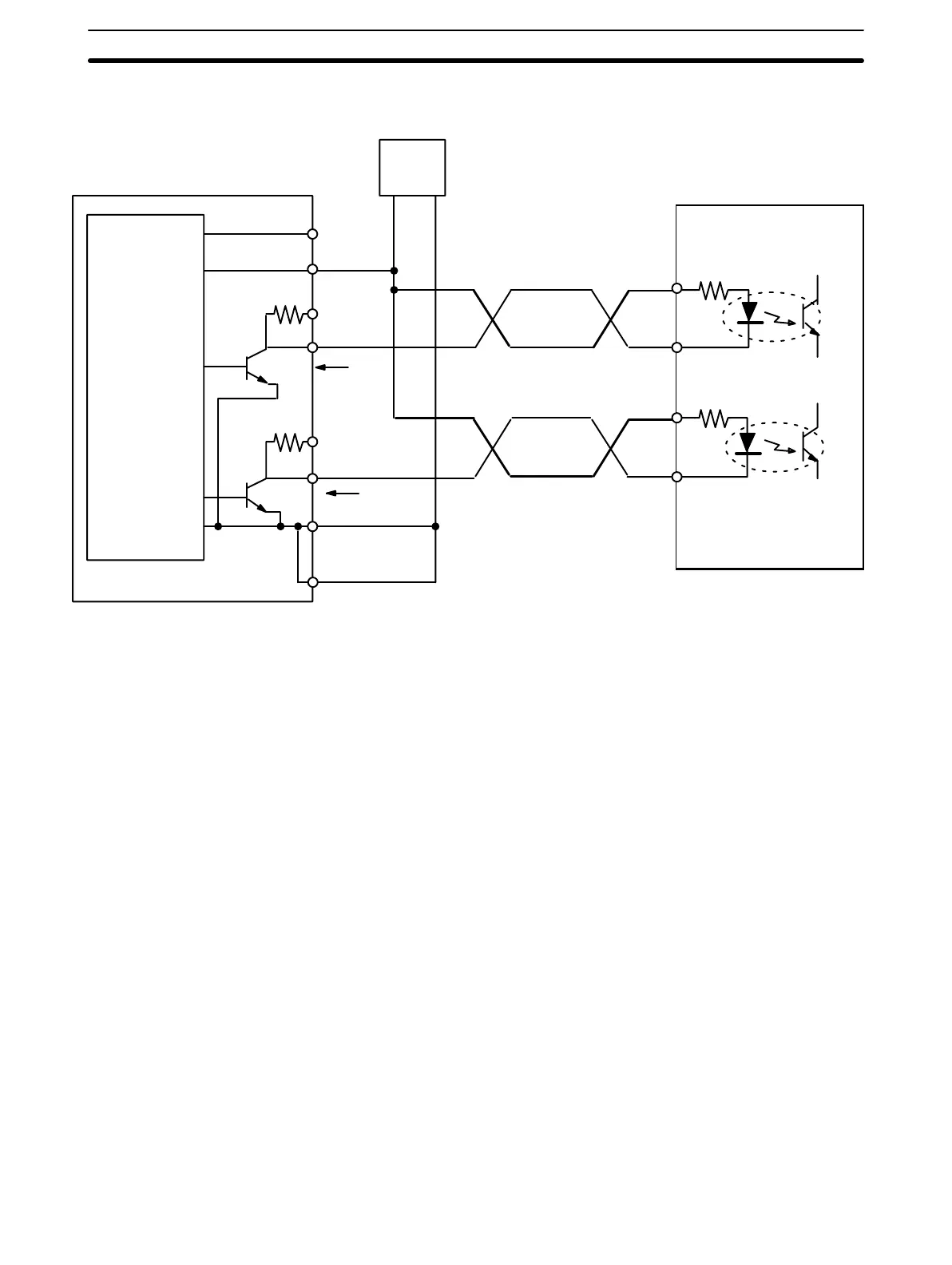
Example 1:
Outputting CW and CCW Pulses with a 5 VDC Power Supply
CCW input
CW input
Position Control Unit
1.6 k
1.6 k
A1
B2
A3
B3
A4
B4
A5
B5
5-VDC
power
supply
+
Approx.
15 mA
Approx.
15 mA
Twisted pair cable
(+)
(–)
(+)
(–)
(Do not share this power supply with other pins.)
Motor driver (rated at 5 VDC)
(Example: R = 220
)
24-VDC input
5-VDC input
CCW pulse
output
CW pulse
output
In this example, the 1.6-k resistors of the Position Control Unit are used to
allow a 24 VDC power supply to be used with a motor driver rated at 5 VDC.
When wiring your system, note carefully the current required by the motor
driver.
Example 2:
Outputting CW and CCW
Pulses with a 24-VDC
Power Supply and a Motor
Driver Rated at 5 VDC
Wiring Section 2–2

Table of Contents

Related product manuals