EasyManua.ls Logo

OneAccess Crocus CNV - Schematic Overview of the Different Clocking Modes

OneAccess Crocus CNV
168 pages
Print Icon
To Next Page IconTo Next Page
To Next Page IconTo Next Page
To Previous Page IconTo Previous Page
To Previous Page IconTo Previous Page
Loading...
Step-by-step configuration Crocus CNV
62 User manual
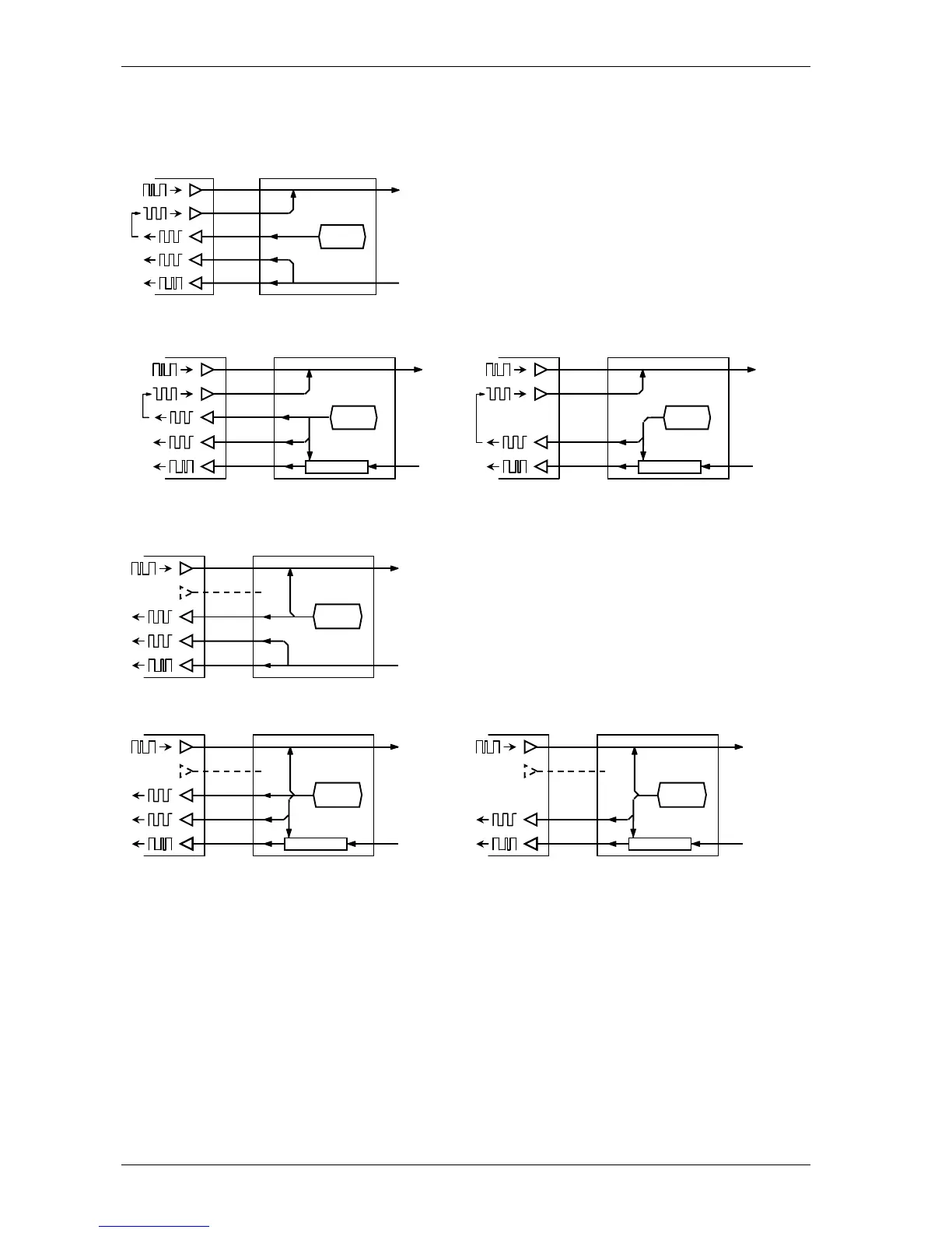
5.3.4 Schematic overview of the different clocking modes
The following figures give a schematic overview of all the clocking possibilities:
internalPreferred / fromLine clocking
internalPreferred / slaveTransmit clocking for other
interfaces
internalPreferred / slaveTransmit clocking for X21
interfaces
internalAlternative / fromLine clocking
internalAlternative / slaveTransmit clocking for other
interfaces
internalAlternative / slaveTransmit clocking for X21
interfaces
clock
generation
Tx
Rx
TxD
ExtTxClk
TxClk
RxClk
RxD
DTE DCE G703
Tx
Rx
TxD
X
S
RxD
DTE DCE G703
Retiming buffer
clock
generation
Tx
Rx
TxD
ExtTxClk
TxClk
RxClk
RxD
DTE DCE line
clock
generation
Tx
Rx
TxD
ExtTxClk
TxClk
RxClk
RxD
DTE DCE G703
clock
generation
Retiming buffer
Tx
Rx
TxD
X
S
RxD
DTE DCE G703
clock
generation
Retiming buffer
Tx
Rx
TxD
ExtTxClk
RxClk
RxD
DTE DCE G703
Retiming buffer
clock
generation
TxClk

Table of Contents