EasyManua.ls Logo

Optimus Compact - Módulo de Alimentación y Control

Optimus Compact
74 pages
Print Icon
To Next Page IconTo Next Page
To Next Page IconTo Next Page
To Previous Page IconTo Previous Page
To Previous Page IconTo Previous Page
Loading...
COMPACT versión 5.0.002
5
Matriz de audio modular
con conexión IP
COMPACT
R + D Department
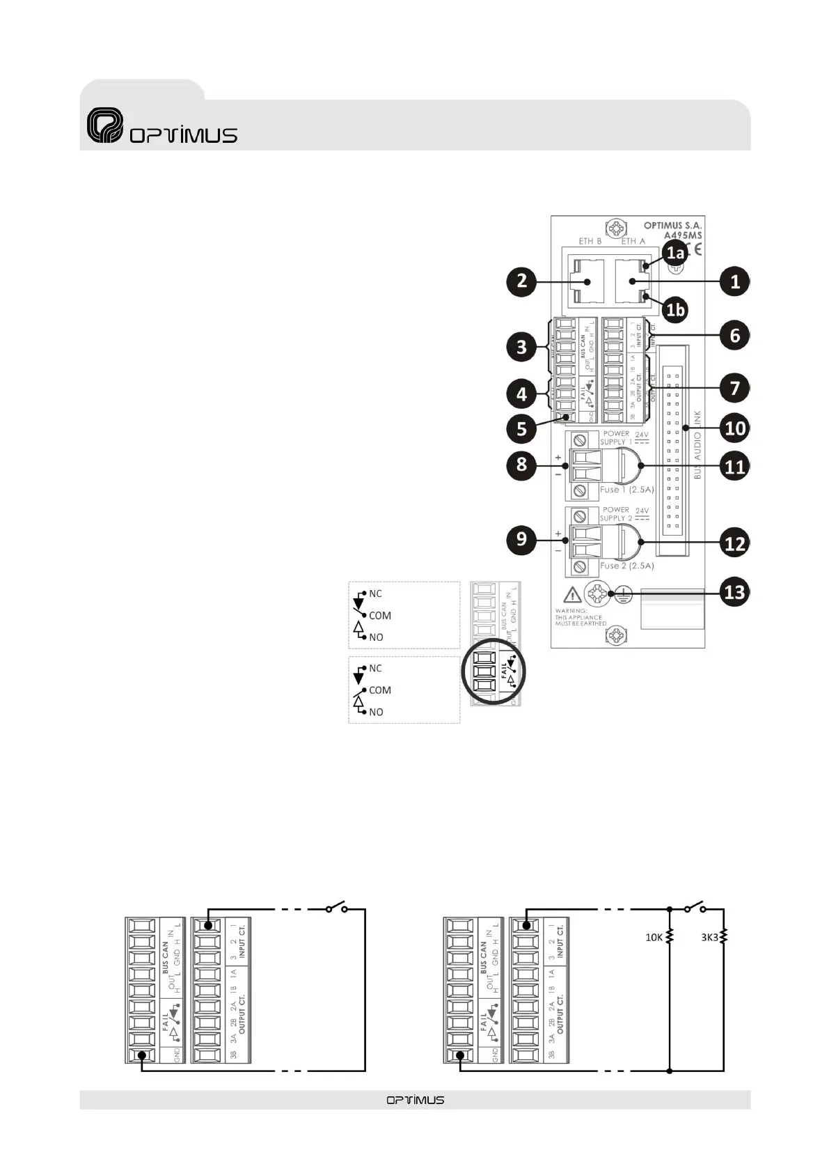
3.1. Módulo de alimentación y control
1) Conector ETH A
Se utiliza para la conexión del equipo a la red IP.
(1a) Indicador SPEED (LED amarillo):
Velocidad de la red. Encendido indica una velocidad de 100Mbps. Apa-
gado indica una velocidad de red de 10Mbps (es altamente recomenda-
ble la utilización de una velocidad de transmisión de 100 Mbps).
(1b) Indicador LINK/ACTIVITY (LED verde):
Encendido indica conexión a la red. El parpadeo indica envío o recepción
de datos.
2) Conector ETH B
Se utiliza, en una red redundante, como conexión secundaria a la red IP.
3) Contactos BUS CAN
Bus de comunicación de datos entre la matriz COMPACT, la matriz escla-
va COMPACT-E y periféricos.
Para su conexión se recomienda la utilización de un cable de par trenza-
do y apantallado AWG24. Vea apartados 5.2. Conexión entre COMPACT y
COMPACT-E y 5.3. Conexión entre COMPACT y periféricos CAN.
4) Contactos FAIL
Relé indicador de fallo en el sistema.
El contacto COM unido al contacto NO indi-
ca que no hay alarmas en el sistema. Si por
el contrario, COM está unido a NC, indica
equipo apagado o alarmas detectadas (figu-
ra 4).
Máxima corriente de carga DC: 150 mA.
Máximo voltaje de carga DC o AC peak: 350V
5) Contacto GND
6) Contactos INPUT CT 1, 2 y 3
Contactos de entrada. La funcionalidad y el estado de reposo (NC/NO) se configuran a través del software de configuración.
Pueden configurarse como contactos de propósito general, o en sistemas de evacuación, como contactos de activación del
modo emergencia, activación del mensaje de evacuación
Si se desea, el sistema puede supervisar estos contactos (detección de cortocircuito o línea abierta).
El tiempo de detección del pulso de activación de los contactos de entrada es configurable a través del software Call Point (0-
50-100-200-300-400-500-1000-1500-2000 milisegundos).
Para su conexión siga la figura 5. Si desea supervisar el contacto, siga la figura 6.
Figura 3
Figura 5
CONEXIÓN CONTACTO DE ENTRADA SIN SUPERVISION
Figura 6
CONEXIÓN CONTACTO DE ENTRADA CON SUPERVISIÓN
Figura 4
Equipo
apagado
o alarmas
detectadas
Sin
alarmas

Table of Contents

Other manuals for Optimus Compact

Related product manuals