EasyManua.ls Logo

Optimus Compact - 3.1. Power and Control Module

Optimus Compact
74 pages
Print Icon
To Next Page IconTo Next Page
To Next Page IconTo Next Page
To Previous Page IconTo Previous Page
To Previous Page IconTo Previous Page
Loading...
COMPACT version 5.0.002
5
Modular audio matrix
with IP connection
COMPACT
R +D Department
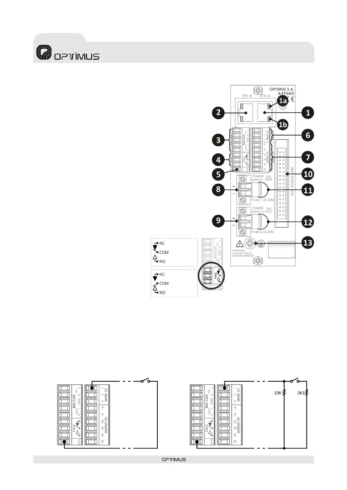
3.1. Power and control module
1) Connector ETH A
Is used to connect the unit to the IP network.
(1a) SPEED indicator (yellow LED):
Speed of the network. Indicates a speed of 100 Mbps when illuminated.
The light extinguished indicates a network speed of 10 Mbps (it is highly
recommended to use a transmission speed of 100 Mbps).
(1b) LINK/ACTIVITY indicator (green LED):
When illuminated it indicates a network connection. When flashing it
indicates that data is being sent or received.
2) Connector ETH B
Is used in a redundant network as a secondary connection to the IP
network.
3) BUS CAN Contacts
Data communication bus between the COMPACT matrix, the COMPACT-
E slave and CAN peripherals.
For the connection of the CAN bus it is recommended to use a shielded
twisted pair AWG24 cable. See section 5.2. Connection between the
COMPACT and COMPACT-E units and 5.3. Connection between
COMPACT and CAN peripherals.
4) FAIL Contacts
Output relay used to indicate a system failure.
If the COM contact is linked to the NO
contact, it indicates that there are no faults or
alarms in the system. If on the other hand,
COM is linked to NC, it indicates that the
equipment is switched off or alarms detected
(figure 4).
Maximum DC charge current: 150mA
Maximum DC or AC peak charge voltage: 350V
5) GND Contact
6) INPUT Contacts CT 1, 2 and 3
The functionality and de-energized state (NC/NO) are configured through the configuration software. They may be configured
as general purpose contacts or in the evacuation system as emergency mode activation contacts, evacuation message
activated...
If you wish, the system may monitor these contacts (short-circuit or open line detection).
The detection time of the activation pulse of the input contacts is configurable through the Call Point software (0-50-100-200-
300-400-500-1000-1500-2000 milliseconds).
To connect follow figure 5. If you wish to monitor the contact, follow figure 6.
Figure 3
Figure 5
INPUT CONTACT CONNECTION WITHOUT SURVEILLANCE
Figure 6
INPUT CONTACT CONNECTION WITH SURVEILLANCE
Figure 4
COMPACT
off or
alarms
detected
No alarms

Table of Contents

Other manuals for Optimus Compact

Related product manuals