EasyManua.ls Logo

Panasonic KX-TG5631S

Panasonic KX-TG5631S
124 pages
To Next Page IconTo Next Page
To Next Page IconTo Next Page
To Previous Page IconTo Previous Page
To Previous Page IconTo Previous Page
Loading...
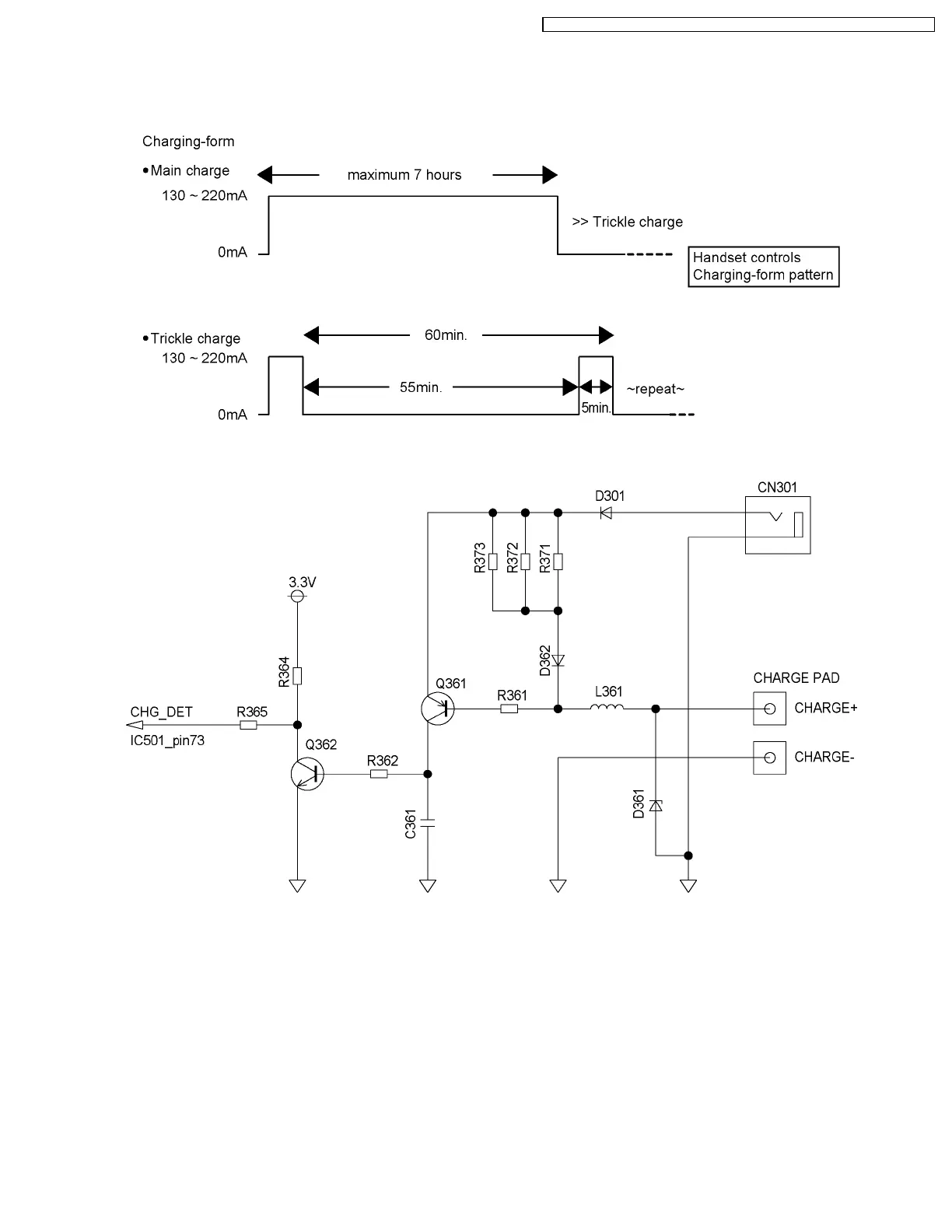
12.3.1. Charge Circuit
The voltage from the AC adaptor is supplied to the charge circuits. Main charge (130 ~ 220mA at the Battery) of maximum 7-
hours is started soon after the Handset is placed on the Base Unit. Then it changes to Trickle charge to prevent from
overcharging.
Q361 and Q362 detect the ON-HOOK state (Handset is placed on Base Unit).
59
KX-TG5631S / KX-TG5632M / KX-TG5633B / KX-TGA560S / KX-TGA560M / KX-TGA560B

Table of Contents

Other manuals for Panasonic KX-TG5631S

Related product manuals