EasyManua.ls Logo

Panasonic KX-TG5631S

Panasonic KX-TG5631S
124 pages
To Next Page IconTo Next Page
To Next Page IconTo Next Page
To Previous Page IconTo Previous Page
To Previous Page IconTo Previous Page
Loading...
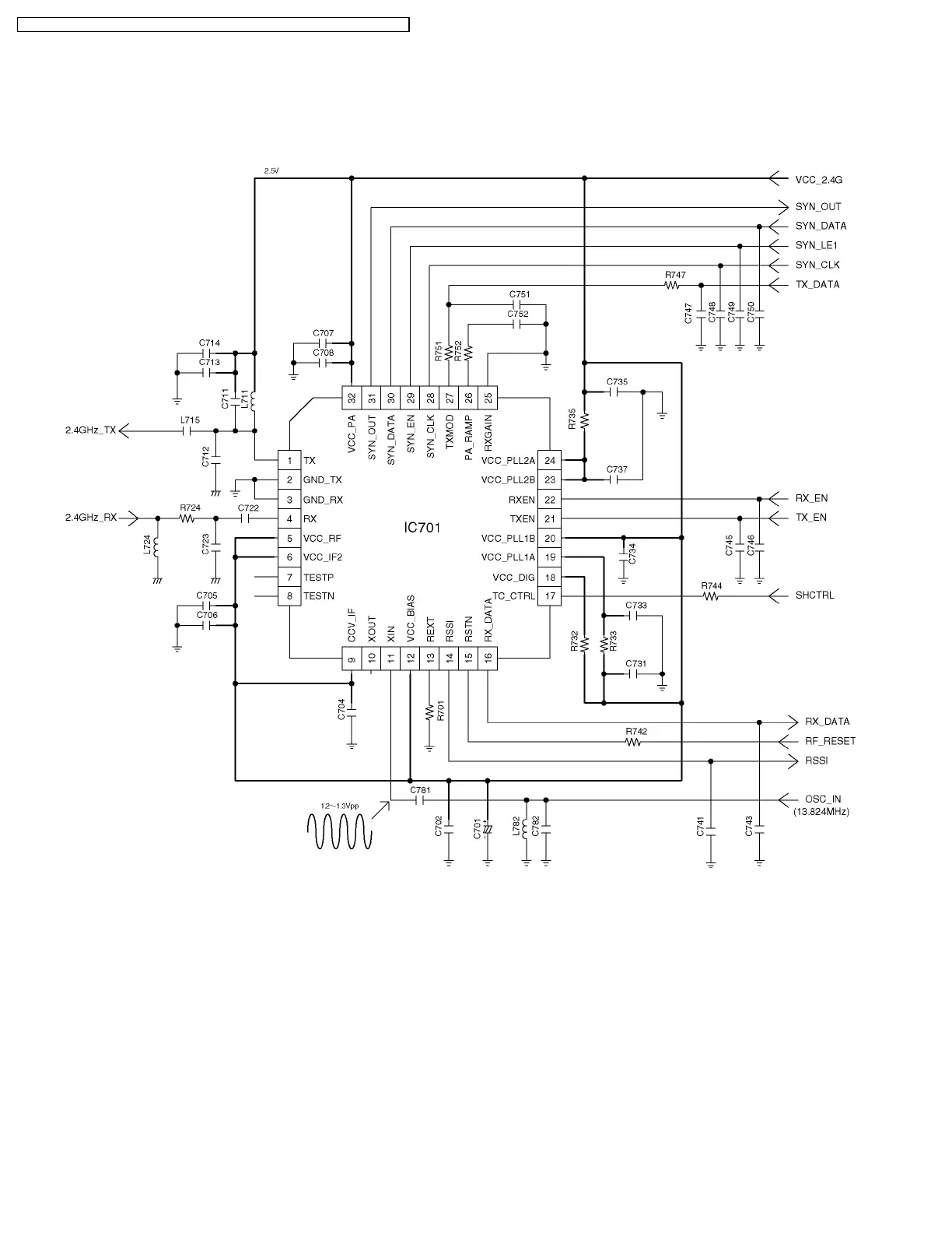
15.2. 2.4GHz Mod/Demod Circuit
IC701 incorporates all of the modulation and demodulation functions. TX Digital data (TX_DATA) from DSP is supplied to pin 27
of IC701, and then 2.4GHz TX modulated signal is output from pin1. This TX signal goes into the 5.8GHz Converter circuit. 2.4GHz
RX signal from 5.8GHz Converter circuit is passed through matching circuit and supplied to pin4 of IC701, then demodulated signal
(RX_DATA) comes out from pin 16. At the same time, RSSI (Received Signal Strength Indicator) outputs from the pin 14.
Reference clock (13.824MHz) from DSP block is supplied to pin 11 of IC701. VCC_2.4G supplies 2.5V regulated voltage.
Note:
The exposed GND_PLATE on the bottom of the IC701 supplies the circuit ground(s) for the entire chip. It is very important that
a good solder connection is made between this GND_PLATE and the ground plane of the PCB underlying the IC701.
70
KX-TG5631S / KX-TG5632M / KX-TG5633B / KX-TGA560S / KX-TGA560M / KX-TGA560B

Table of Contents

Other manuals for Panasonic KX-TG5631S

Related product manuals