EasyManua.ls Logo

Panasonic KX-TG5631S

Panasonic KX-TG5631S
124 pages
To Next Page IconTo Next Page
To Next Page IconTo Next Page
To Previous Page IconTo Previous Page
To Previous Page IconTo Previous Page
Loading...
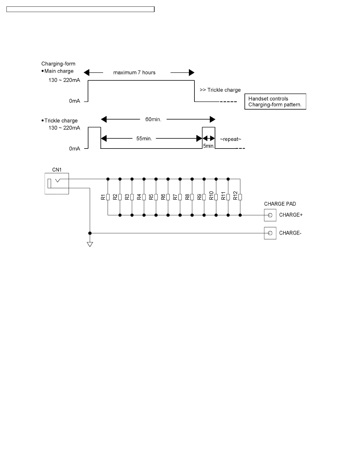
18 CIRCUIT OPERATION (CHARGER UNIT)
The voltage from the AC adaptor is supplied to the charge circuits. Main charge (130 ~ 220mA at the Battery) of maximum 7-
hours is started soon after the Handset is placed on the Charger Unit. Then it changes to Trickle charge to prevent from
overcharging.
Charging form
The route for this is as follows: DC+pin of CN1R1 ~ R12CHARGE+padHandsetCHARGE-padDC-pin of CN1.
78
KX-TG5631S / KX-TG5632M / KX-TG5633B / KX-TGA560S / KX-TGA560M / KX-TGA560B

Table of Contents

Other manuals for Panasonic KX-TG5631S

Related product manuals