EasyManua.ls Logo

Panasonic KX-TG5631S - Page 66

Panasonic KX-TG5631S
124 pages
To Next Page IconTo Next Page
To Next Page IconTo Next Page
To Previous Page IconTo Previous Page
To Previous Page IconTo Previous Page
Loading...
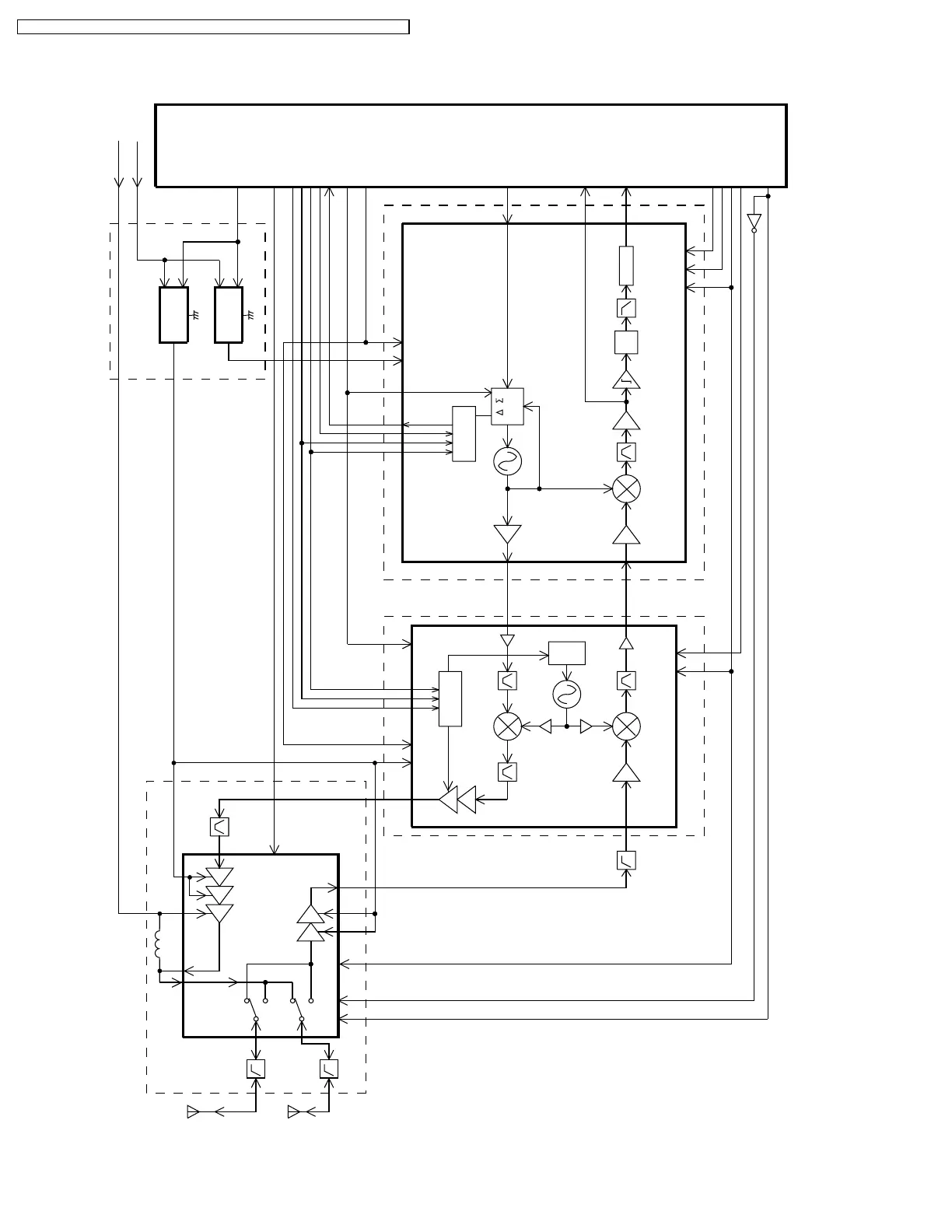
13 BLOCK DIAGRAM (BASE UNIT_RF PART)
ANT_1
ANT_0
IC701
XIN
TXEN
TC_CTRL
RSTN
RXEN
IC761
2.5V
REGULATOR
3.0V
REGULATOR
IC841
Power Supply Circuit
-
Frac-N
PLL
2MHz
FM
det.
Slicer
Serial
Interface
VCC
2.4GHz Mod/Demod Circuit
2.4GHz
2.4GHz
FL811
FL891
FL881
IC851
5.8GHz Power Amp., 5.8GHz LNA and
Antenna Switch Circuit
V_PA
V_RF
RADIO_EN
SYN_LE2
SYN_CLK
SYN_DATA
SYN_LE1
OSC_IN
TX_EN
SYN_OUT
TX_DATA
RX_DATA
RSSI
SHCTRL
RF_RESET
RX_EN
RX_GAIN
DSP
PLL
Serial
Interface
5.8GHz Converter Circuit
IC801
3.4GHz
5.8GHz
PA_CONT
VCC
TXEN
REFIN
ANT0
RXEN
RXGAIN
5.8GHz
FL821
KX-TG5631/5632/5633 BLOCK DIAGRAM (Base Unit_RF Part)
KX-TG5631S / KX-TG5632M / KX-TG5633B / KX-TGA560S / KX-TGA560M / KX-TGA560B
66

Table of Contents

Other manuals for Panasonic KX-TG5631S

Related product manuals