EasyManua.ls Logo

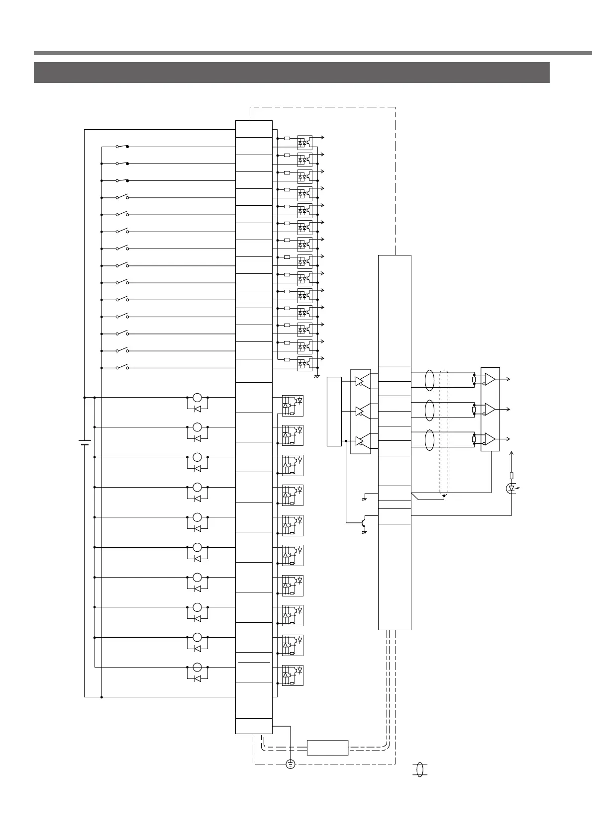
Panasonic MCDDT3520 - Wiring for Connector CN X5

Panasonic MCDDT3520
232 pages
Print Icon
To Next Page IconTo Next Page
To Next Page IconTo Next Page
To Previous Page IconTo Previous Page
To Previous Page IconTo Previous Page
Loading...
42
System Configuration and Wiring
Divider
4.7k
Driver side
4.7k
( represents twisted pair.)
OA+
OA
-
OB+
OB
-
OZ+
OZ
-
GND
CZ
11
12
13
10
26
16
14
9
330
330
330
COM+
EMG-STP
CCWL
CWL
Z-LS
SRV-ON
P32IN
EX-IN1
EX-IN2
BUSY
P32OUT
P16OUT
P8OUT
P4OUT
P2OUT
P1OUT
COIN/
DCLON
ALM
BRK-OFF
COM–
FG
1
2
20
19
23
8
22
29
28
27
15
36
17
18
Emergency stop input
CW over-travel inhibit input
21
A-phase
output
B-phase
output
Z-phase
output
Z-phase output (open collector)
Control signal power supply
Control signal power supply
CN X5
CCW over-travel inhibit input
Home sensor input
Servo-ON signal input
STB
24
Strobe signal input
Point specifying input
Multi-function input 1
25
Multi-function input 2
VDC
12 to 24V
MAX 50mA
MAX 50mA
34
MAX 50mA
33
MAX 50mA
32
MAX 50mA
31
MAX 50mA
30
MAX 50mA
MAX 50mA
MAX 50mA
MAX 50mA
4.7k
4.7k
4.7k
4.7k
4.7k
4.7k
P16IN
7
Point specifying input
4.7k
P8IN
6
Point specifying input
4.7k
P4IN
5
Point specifying input
4.7k
P2IN
4
Point specifying input
4.7k
P1IN
3
Point specifying input
4.7k
4.7k
Present position 
output
Present position 
output
Present position 
output
Present position 
output
Present position 
output
Present position 
output
Motor operation 
condition output
Positioning completion
output / Output during 
deceleration
Servo alarm output
Brake release 
signal
Wiring for Connector CN X5

Table of Contents

Other manuals for Panasonic MCDDT3520

Related product manuals