EasyManua.ls Logo

Panasonic Minas A4 Series - Wiring to the Connector, CN X5; Wiring Example to the Connector, CN X5

Panasonic Minas A4 Series
366 pages
Print Icon
To Next Page IconTo Next Page
To Next Page IconTo Next Page
To Previous Page IconTo Previous Page
To Previous Page IconTo Previous Page
Loading...
192
Wiring to the Connector, CN X5
Wiring Example to the Connector, CN X5
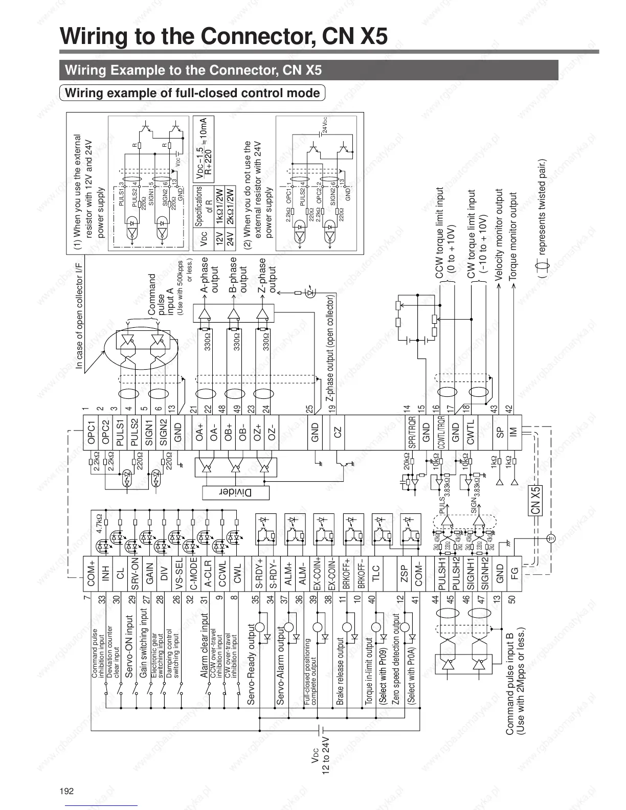
Wiring example of full-closed control mode
Command pulse input B
(Use with 2Mpps or less.)
14
15
16
17
43
18
42
In case of open collector I/F
(1) When you use the external 
resistor with 12V and 24V 
power supply
(2) When you do not use the 
external resistor with 24V 
power supply
Command 
pulse 
input A
(Use with 500kpps
or less.)
7
4.7k
COM+
PULS2
SIGN1
SIGN2
GND
OA+
OA
-
OB+
OB
-
OZ+
OZ
-
GND
CZ
SPR/TRQR
GND
CCWTL/TRQR
GND
CWTL
SP
IM
3
4
1
2
5
6
13
21
22
48
24
25
19
49
23
3.83k
3.83k
43k
2k
2k
43k
220
20k
330
330
330
10k
10k
1k
1k
PULS1
INH
CL
SRV-ON
GAIN
DIV
VS-SEL
C-MODE
A-CLR
CCWL
CWL
S-RDY
+
S-RDY
-
ALM+
EX-COIN+
BRKOFF
+
BRKOFF
-
TLC
ZSP
COM
-
SIGNH1
SIGNH2
GND
PULSH1
PULS
PULSH2
FG
EX-COIN
-
ALM
-
33
30
29
27
28
32
31
9
8
35
34
37
36
39
38
11
10
40
12
41
44
45
13
50
Servo-ON input
Gain switching input
Electronic gear 
switching input
26
Damping control 
switching input
Divider
Alarm clear input
CCW over-travel 
inhibition input
Z-phase output (open collector)
CW over-travel 
inhibition input
Servo-Ready output
Servo-Alarm output
Full-closed positioning 
complete output
Brake release output
Torque in-limit output
(Select with Pr09)
Zero speed detection output
(Select with Pr0A)
Deviation counter 
clear input
Command pulse 
inhibition input
PULS1
PULS2
SIGN1
GND
SIGN2
220
220
V
DC
R
R
3
4
5
6
13
CN X5
SIGN
46
47
43k
2k
2k
43k
220
220
220
2.2k
2.2k
OPC2
OPC1
PULS2
GND
SIGN2
OPC1
OPC2
220
220
24V
DC
1
4
2
6
13
2.2k
2.2k
V
DC
12
to
24V
A-phase 
output
B-phase 
output
Z-phase 
output
CCW torque limit input
(0 to +10V)
CW torque limit input
(
-
10 to +10V)
Velocity monitor output
Torque monitor output
( represents twisted pair.)
V
DC
12V
24V
Specifications
of R
1k1/2W
2k1/2W
V
DC
-
1.5
R
+
220
=10mA
.
.

Table of Contents

Other manuals for Panasonic Minas A4 Series

Related product manuals