EasyManua.ls Logo

Panasonic Minas A4 Series - Block Diagram of Driver by Control Mode

Panasonic Minas A4 Series
366 pages
Print Icon
To Next Page IconTo Next Page
To Next Page IconTo Next Page
To Previous Page IconTo Previous Page
To Previous Page IconTo Previous Page
Loading...
356
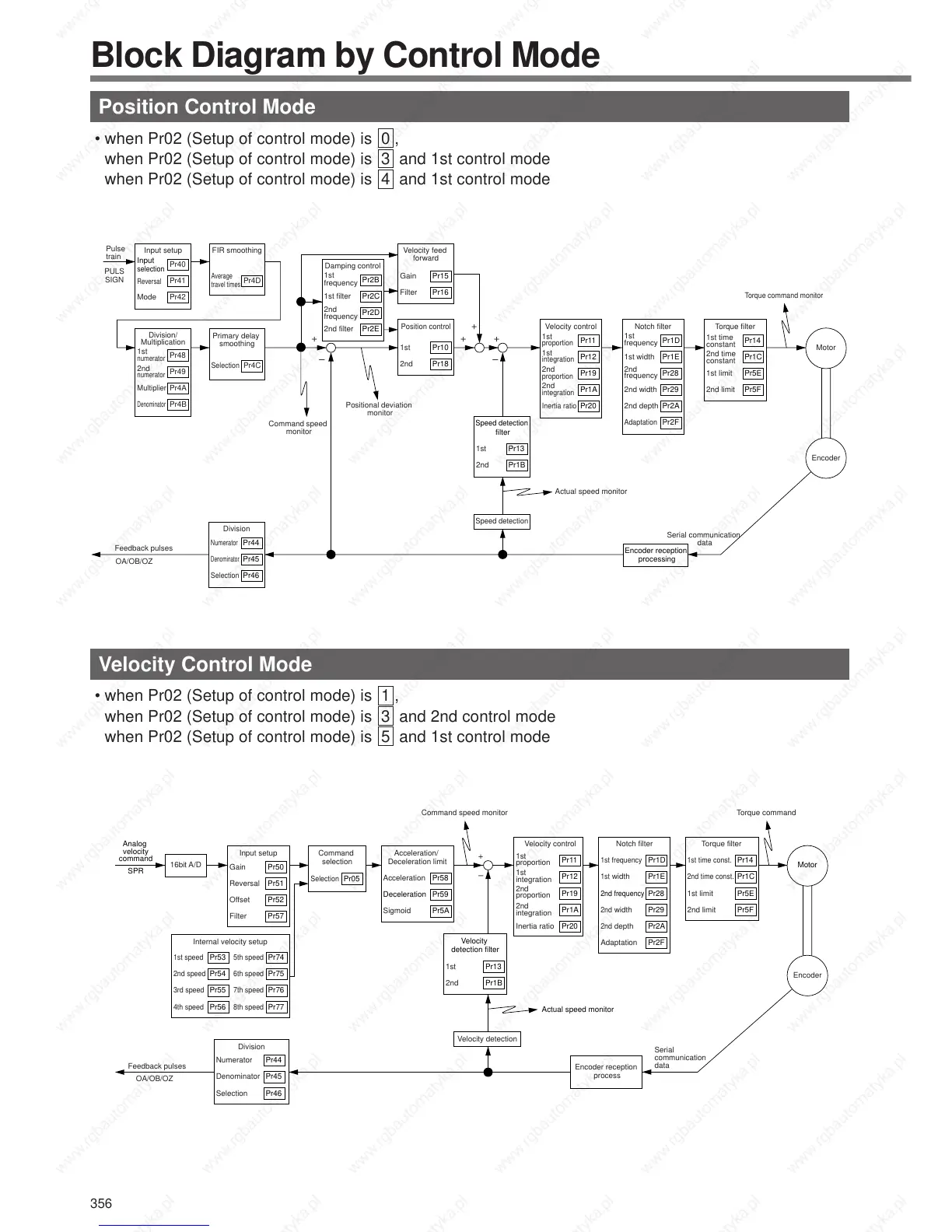
Block Diagram by Control Mode
Position Control Mode
when Pr02 (Setup of control mode) is 0 ,
when Pr02 (Setup of control mode) is 3 and 1st control mode
when Pr02 (Setup of control mode) is 4 and 1st control mode
Velocity Control Mode
when Pr02 (Setup of control mode) is 1 ,
when Pr02 (Setup of control mode) is 3 and 2nd control mode
when Pr02 (Setup of control mode) is 5 and 1st control mode
PULS
SIGN
Input setup
Pulse
train
Positional deviation 
monitor
Actual speed monitor
Command speed 
monitor
Feedback pulses
Serial communication 
data
OA/OB/OZ
Pr40
Input 
selection
Pr41
Reversal
Pr42Mode
Division/
Multiplication
Pr48
1st 
numerator
Pr49
2nd 
numerator
Pr4A
Multiplier
Pr4B
Denominator
Damping control
Pr2B
1st 
frequency
Pr2C1st filter
Pr2D
2nd 
frequency
Pr2E2nd filter
Velocity control
Pr11
1st 
proportion
Pr12
1st 
integration
Pr19
2nd 
proportion
Pr1A
2nd 
integration
Pr20
Inertia ratio
Notch filter
Pr1D
1st 
frequency
Pr1E1st width
Pr28
2nd 
frequency
Pr292nd width
Pr2A2nd depth
Pr2F
Adaptation
Torque filter
Motor
Torque command monitor
Pr14
1st time 
constant
Pr1C
2nd time 
constant
Pr5E1st limit
Pr5F
2nd limit
Pr4D
Average 
travel times
Primary delay 
smoothing
Pr4C
Selection
Division
Pr44
Numerator
Pr45
Denominator
Pr46
Selection
Velocity feed 
forward
Pr15Gain
Pr16Filter
Speed detection 
filter
Pr131st
Pr1B2nd
Speed detection
Encoder reception 
processing
Position control
Pr101st
+
++
–
+
–
Pr182nd
Encoder
FIR smoothing
SPR
Acceleration/
Deceleration limit
Pr58Acceleration
Pr59Deceleration
Pr5ASigmoid
Input setup
Pr50Gain
Pr51Reversal
Pr52Offset
Pr57Filter
Internal velocity setup
Pr53
1st speed
Pr54
2nd speed
Pr55
3rd speed
Pr56
4th speed
Pr74
5th speed
Pr75
6th speed
Pr76
7th speed
Pr77
8th speed
Command 
selection
Pr05
Selection
Torque commandCommand speed monitor
Velocity control
Pr11
1st 
proportion
Pr12
1st 
integration
Pr19
2nd 
proportion
Pr1A
2nd 
integration
Pr20Inertia ratio
Notch filter
Pr1D
1st frequency
Pr1E
1st
width
Pr28
2nd frequency
Pr29
2nd
width
Pr2A
2nd
depth
Pr2FAdaptation
Torque filter
Pr14
1st time const.
Pr1C
2nd time const.
Pr5E1st limit
Pr5F2nd limit
Motor
Encoder
Feedback pulses
OA/OB/OZ
Division
Pr44Numerator
Pr45Denominator
Pr46Selection
Actual speed monitor
Velocity 
detection filter
Pr131st
Pr1B2nd
Velocity detection
+
–
16bit A/D
Analog 
velocity
command
Serial 
communication
data
Encoder reception 
process

Table of Contents

Other manuals for Panasonic Minas A4 Series

Related product manuals