EasyManua.ls Logo

Panasonic Minas A4 Series - Page 41

Panasonic Minas A4 Series
366 pages
Print Icon
To Next Page IconTo Next Page
To Next Page IconTo Next Page
To Previous Page IconTo Previous Page
To Previous Page IconTo Previous Page
Loading...
39
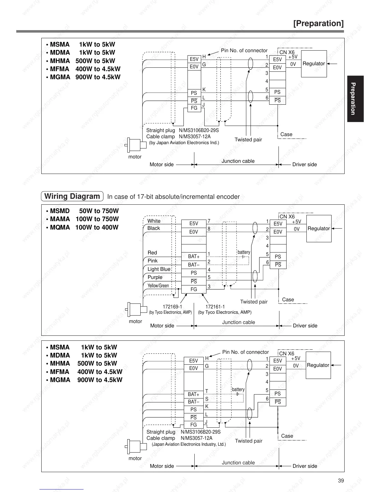
[Preparation]
Preparation
• MSMA 1kW to 5kW 
• MDMA 1kW to 5kW 
• MHMA500W to 5kW 
• MFMA 400W to 4.5kW
• MGMA900W to 4.5kW
• MSMD 50W to 750W
• MAMA100W to 750W
• MQMA100W to 400W
• MSMA 1kW to 5kW
• MDMA 1kW to 5kW
• MHMA 500W to 5kW
• MFMA 400W to 4.5kW
• MGMA 900W to 4.5kW
Case
CN X6
Regulator
+5V
0V
motor
(by Japan Aviation Electronics Ind.)
1
2
3
4
5
6
H
G
K
L
Twisted pair
Pin No. of connector
Junction cable
Straight plug
Cable clamp
N/MS3106B20-29S
N/MS3057-12A
Motor side Driver side
E5V
E0V
PS
PS
J
PS
PS
FG
E5V
E0V
motor
1
+5V
0V
+5V
0V
2
3
4
5
6
1
battery
battery
2
7
8
4
5
3
Twisted pair
Junction cable
(by Tyco Electronics, AMP)
172161-1172169-1
(by Tyco Electronics, AMP)
Motor side Driver side
Black
Purple
Yellow/Green
White
Light Blue
Pink
Red
E5V
E0V
E5V
E0V
BAT+
BAT–
PS
PS
motor
(Japan Aviation Electronics Industry, Ltd.)
1
2
3
4
5
6
H
G
K
L
J
T
S
Twisted pair
Pin No. of connector
Junction cable
Straight plug
Cable clamp
N/MS3106B20-29S
N/MS3057-12A
Motor side Driver side
E5V
E0V
PS
PS
PS
PS
FG
E5V
E0V
PS
PS
Case
Case
BAT+
BAT–
FG
Regulator
Regulator
CN X6
CN X6
Wiring Diagram In case of 17-bit absolute/incremental encoder

Table of Contents

Other manuals for Panasonic Minas A4 Series

Related product manuals