EasyManua.ls Logo

Panasonic PT-DZ12000U - Page 111

Panasonic PT-DZ12000U
239 pages
To Next Page IconTo Next Page
To Next Page IconTo Next Page
To Previous Page IconTo Previous Page
To Previous Page IconTo Previous Page
Loading...
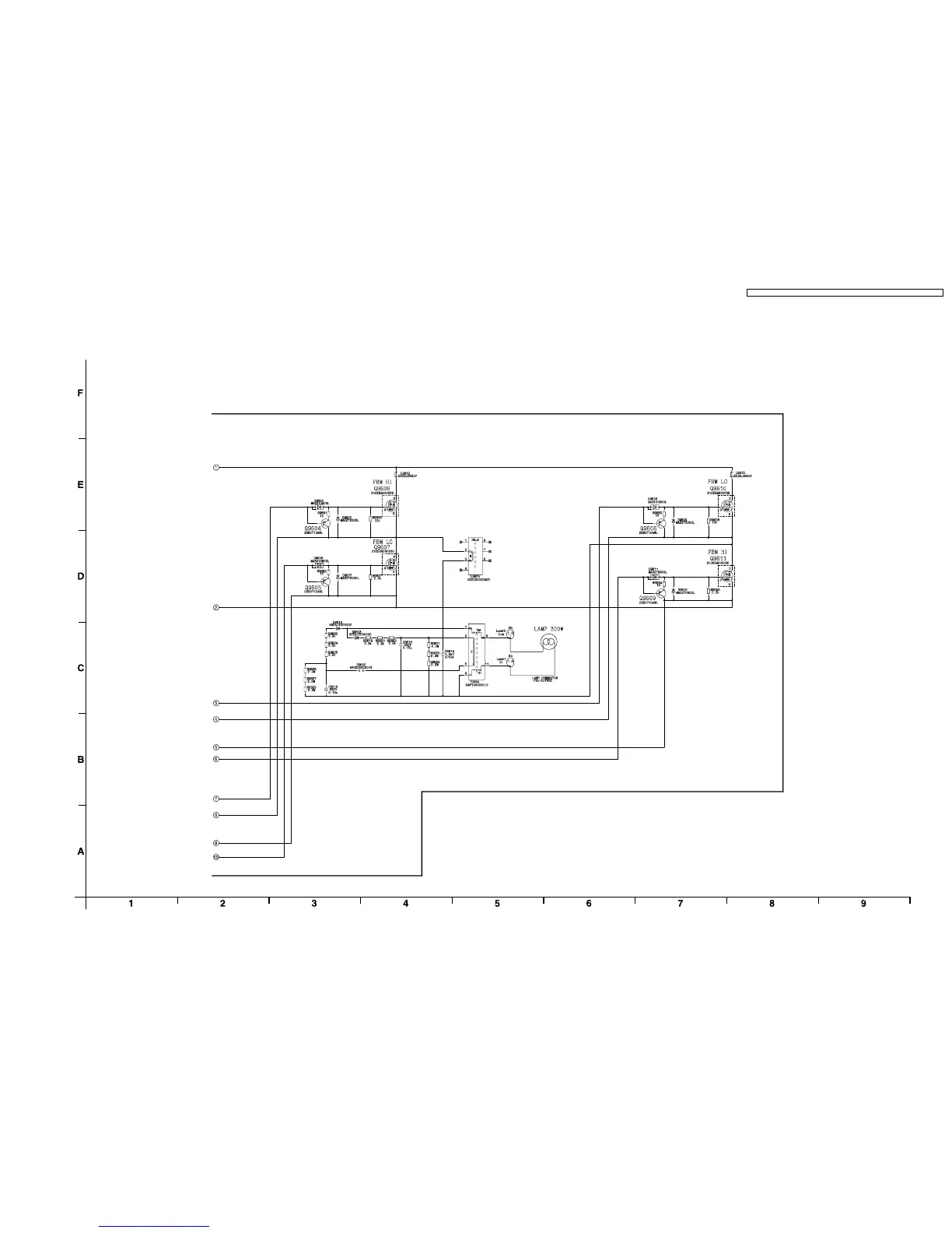
16.22. B-Module (2/2)
B-Module TXN/B1VKH1 (2/2)
Module Replacement
Only supplied components IC9601-03, Q9601-12 Q9614-15, D9601-2, D9604-09, D9611-14, D9616-29, D9650-53, R9630-34,
R9636-40, R9653, R9693, C9603, C9610, C9615, C9618-19, T9604, S9602, SW9601, TXJ/L2VKH2
PT-DZ12000U / PT-DZ12000E / PT-D12000U / PT-D12000E / PT-DW100U / PT-DW100E
111

Table of Contents

Other manuals for Panasonic PT-DZ12000U

Related product manuals