EasyManua.ls Logo

Panasonic PT-DZ12000U

Panasonic PT-DZ12000U
239 pages
To Next Page IconTo Next Page
To Next Page IconTo Next Page
To Previous Page IconTo Previous Page
To Previous Page IconTo Previous Page
Loading...
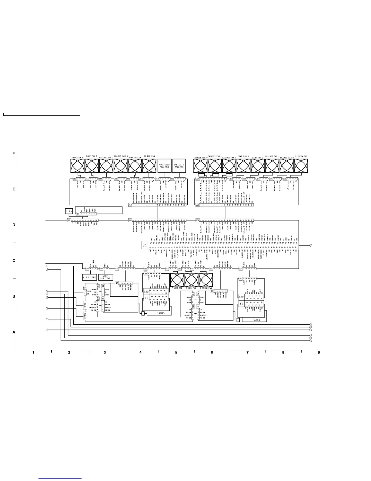
14.2. Interconnection Block Diagram (2/4)
Interconnection Block Diagram (2/4)
G-P.C.Board
H-P.C.Board
L4-P.C.Board
E-P.C.Board
L3-P.C.Board
E-P.C.Board
J3-P.C.Board J2-P.C.Board
B-Module
PFC-Module
Q-Module
B/Q-Module
B/Q-Module
B-Module
Q-Module
PT-DZ12000U / PT-DZ12000E / PT-D12000U / PT-D12000E / PT-DW100U / PT-DW100E
76

Table of Contents

Other manuals for Panasonic PT-DZ12000U

Related product manuals