EasyManua.ls Logo

Panasonic PT-DZ12000U

Panasonic PT-DZ12000U
239 pages
To Next Page IconTo Next Page
To Next Page IconTo Next Page
To Previous Page IconTo Previous Page
To Previous Page IconTo Previous Page
Loading...
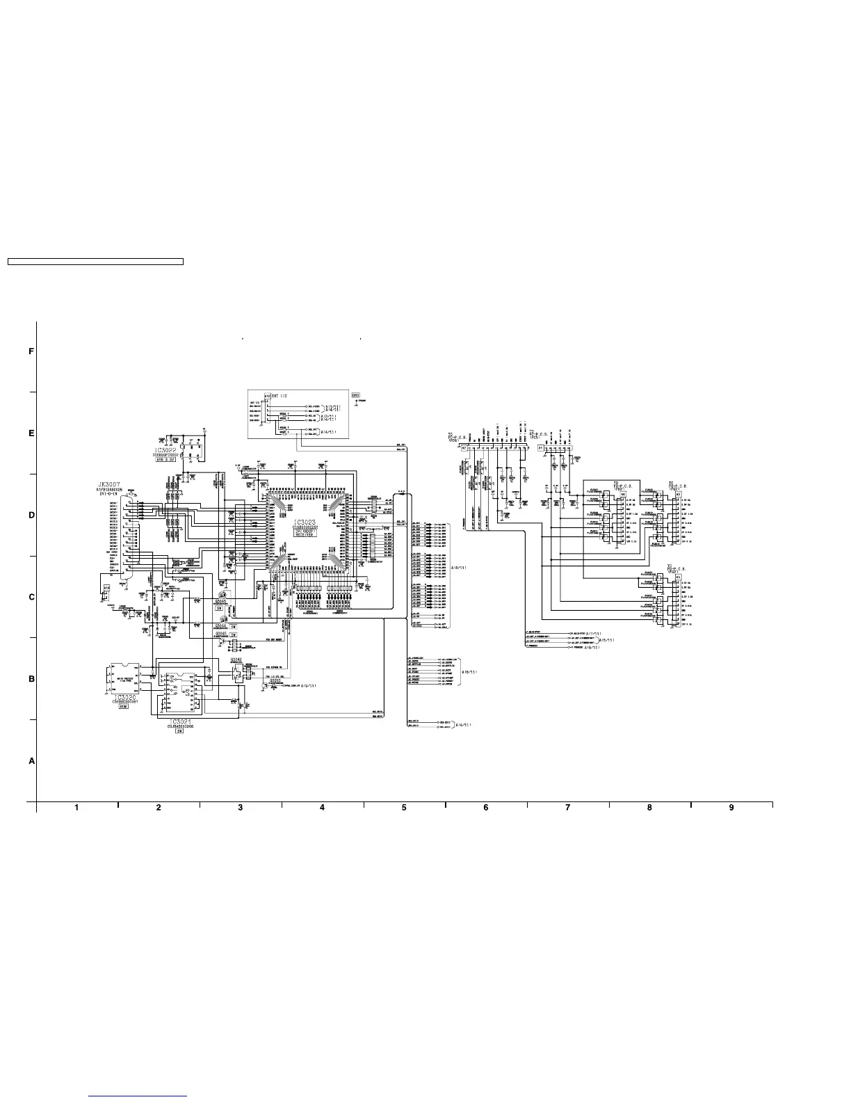
16.3. A-P.C.Board (3/11)
A-P.C.Board (3/11) TXN/A1VKH1 (PT-DZ12000*) TXN/A1VKH2 (PT-D12000*) TXN/A1VKH3 (PT-DW100*)
PT-DZ12000U / PT-DZ12000E / PT-D12000U / PT-D12000E / PT-DW100U / PT-DW100E
92

Table of Contents

Other manuals for Panasonic PT-DZ12000U

Related product manuals