EasyManua.ls Logo

Panasonic S-36PT2E5B - Schémas des Câblages

Panasonic S-36PT2E5B
252 pages
Print Icon
To Next Page IconTo Next Page
To Next Page IconTo Next Page
To Previous Page IconTo Previous Page
To Previous Page IconTo Previous Page
Loading...
39
FRANÇAIS
L2
L1
U2
U1
L3
N
L1
L2
L3
N
U2
R2
U1
R1
R2
R1
L
N
U2
U1
2
1
D
C
B
L
N
L
N
2
1
B
C
L
N
L
N
U2
U1
N
L
L2
L1
U2
U1
L3
N
L1
L2
L3
N
U2
R2
U1
R1
R2
R1
L
N
U2
U1
2
1
D
B
L
N
L
N
2
1
B
C
C
L
N
L
N
U2
U1
N
L
2
1
D
2
1
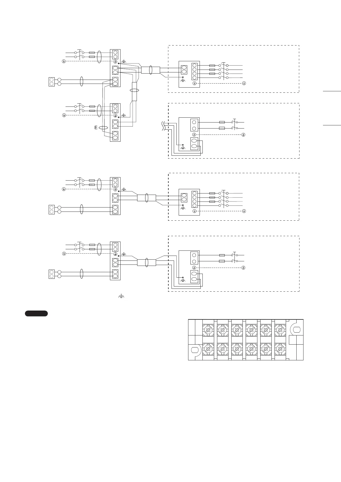
4-3. Schémas des câblages
REMARQUE
(1) Voir la section « 4-2. Longueur et diamètre de fil
recommandés pour le système d’alimentation » pour
l’explication de « B », « C », « D » et « E » sur le schéma
ci-dessus.
(2) Le diagramme de connexion de base de l’unité intérieure
montre les plaquettes à bornes, ainsi les plaquettes
à bornes de votre équipement peuvent différer du
diagramme.
(3) L’adresse du circuit réfrigérant (R.C.) doit être fixée avant
la mise sous tension.
(4) Pour le réglage de l’adresse R.C, reportez-vous aux
instructions d’installation livrées avec la télécommande (en
option). Le paramétrage de l’adressage automatique peut
être exécuté via la télécommande.
L N U1 U2 R1 R2
Plaque à bornes 6P
Type T2
Alimentation
électrique
Câblage de
télécommande
Câblage de
commande
inter-unités
Alimentation
220-230-240V ~ 50Hz
Télécommande
WHT
BLK
Alimentation
220-230-240V ~ 50Hz
Alimentation
380-400-415V 3N ~ 50Hz
Mise à la terre
Mise à la terre
* Raccordements du modèle triphasé
Unité extérieure (triphasé)
Unité INV
Mise à la terre
Unité intérieure
(N°1)
Unité
intérieure
(N°2)
Mise à la terre
* Raccordements du modèle monophasé
Alimentation
220-230-240V ~ 50Hz
Unité extérieure (Monophasée)
Unité INV
Alimentation
230-240V ~ 50Hz
Télécommande
Télécommande
WHT
BLK
WHT
BLK
Alimentation
230-240V ~ 50Hz
Alimentation
400-415V 3N ~ 50Hz
Mise à la terre
(
: Mise à la terre fonctionnelle)
Mise à la terre
* Raccordements du modèle triphasé
Unité extérieure (triphasé)
Unité INV
Mise à la terre
Unité
intérieure
Unité
intérieure
Mise à la terre
* Raccordements du modèle monophasé
Alimentation
230-240V ~ 50Hz
Unité extérieure (Monophasée)
Unité INV
Europe
Océanie
00_301038_All.indb 39 2018/6/11 15:43:02

Table of Contents

Related product manuals