EasyManua.ls Logo

Perkins 5012C-E46TA - Page 38

Perkins 5012C-E46TA
106 pages
Print Icon
To Next Page IconTo Next Page
To Next Page IconTo Next Page
To Previous Page IconTo Previous Page
To Previous Page IconTo Previous Page
Loading...
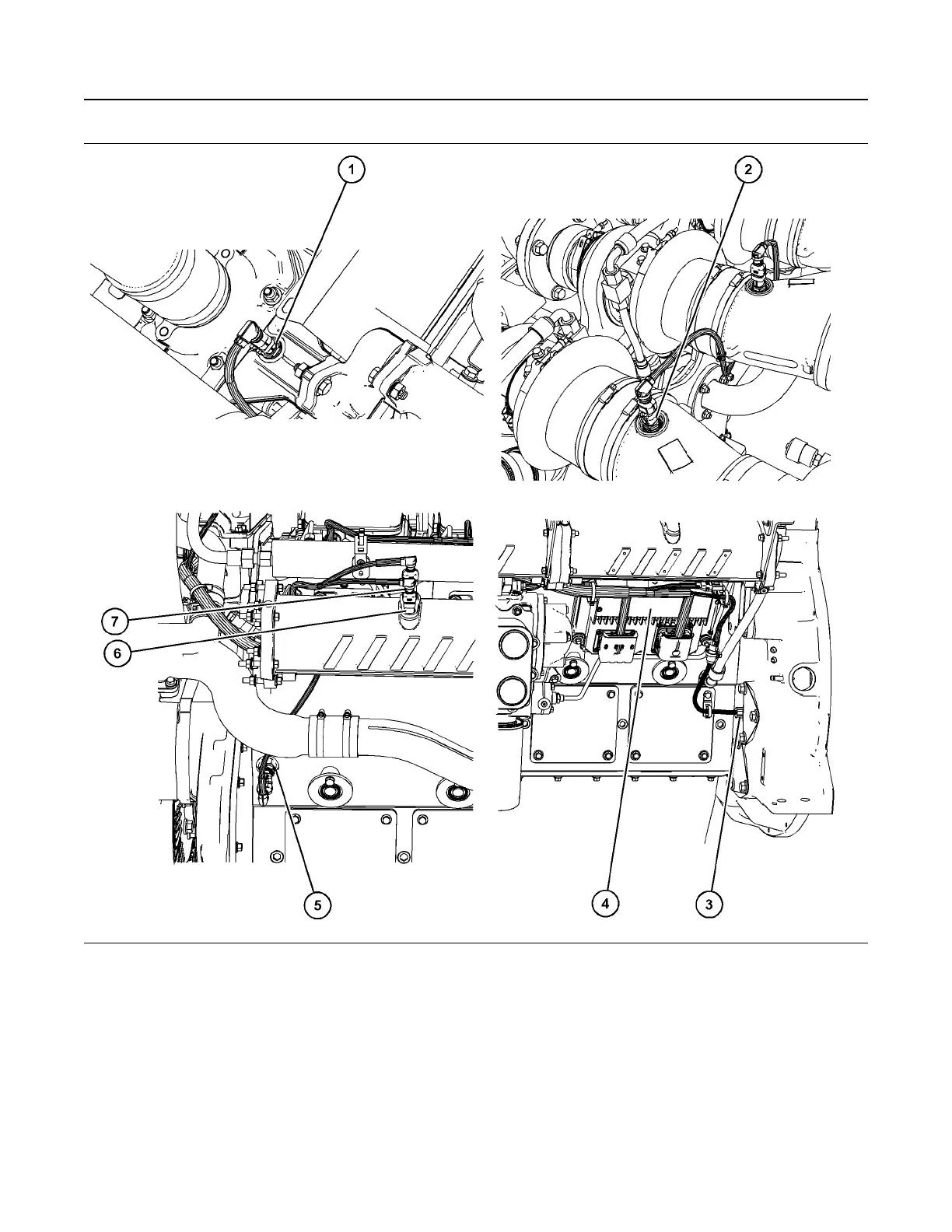
Illustration 36 g07720196
Typical example of the close up views of sensor locations on the left side of the engine
(1) Coolant temperature sensor
(2) Air inlet temperature sensor
(3) Flywheel speed sensor
(4) Electronic Control Module (ECM)
(5) Engine oil pressure sensor
(6) Inlet manifold temperature sensor
(7) Inlet manifold air pressure sensor
38 M0163009
Operation Section
Sensors and Electrical Components

Table of Contents

Related product manuals