EasyManua.ls Logo

Perkins 5012C-E46TA - Page 39

Perkins 5012C-E46TA
106 pages
Print Icon
To Next Page IconTo Next Page
To Next Page IconTo Next Page
To Previous Page IconTo Previous Page
To Previous Page IconTo Previous Page
Loading...
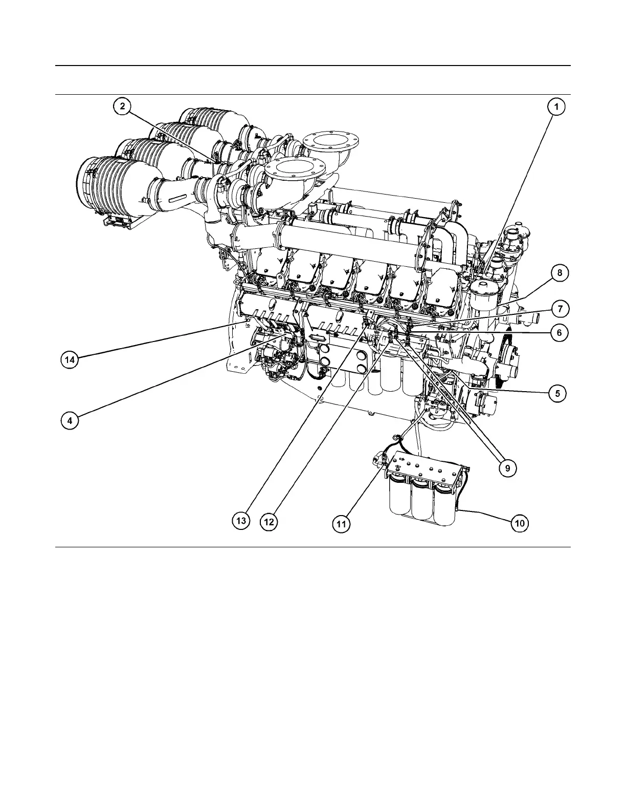
Illustration 37 g07720216
Typical example of the sensor locations on the right side of the engine
(1) Coolant temperature sensor
(2) Air inlet temperature sensor
(4) Electronic Control Module (ECM)
(6) Inlet manifold temperature sensor
(7) Inlet manifold air pressure sensor
(8) Camshaft gear speed sensor
(9) Fuel pressure sensor (secondary fuel
filter)
(10) Water in fuel sensor
(11) Fuel pressure sensor (primary fuel filter)
(12) Fuel temperature sensor
(13) Atmospheric pressure sensor
(14) Flywheel speed sensor (if equipped)
M0163009 39
Operation Section
Sensors and Electrical Components

Table of Contents

Related product manuals