EasyManua.ls Logo

PG Drives Technology SIGMADRIVE Series - 5 Wiring Guidance

PG Drives Technology SIGMADRIVE Series
94 pages
Print Icon
To Next Page IconTo Next Page
To Next Page IconTo Next Page
To Previous Page IconTo Previous Page
To Previous Page IconTo Previous Page
Loading...
PG DRIVES TECHNOLOGY AC TRACTION – INSTALLATION
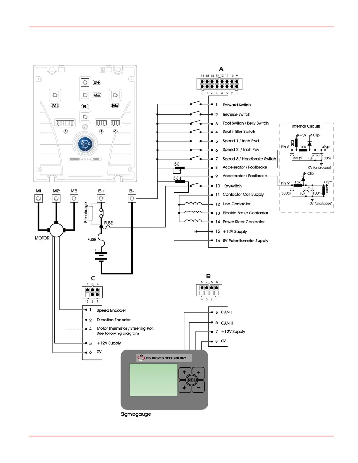
5 Wiring Guidance
SK79646-01 15

Table of Contents

Related product manuals