EasyManua.ls Logo

Philips 42PF9731D - Page 81

Philips 42PF9731D
201 pages
Print Icon
To Next Page IconTo Next Page
To Next Page IconTo Next Page
To Previous Page IconTo Previous Page
To Previous Page IconTo Previous Page
Loading...
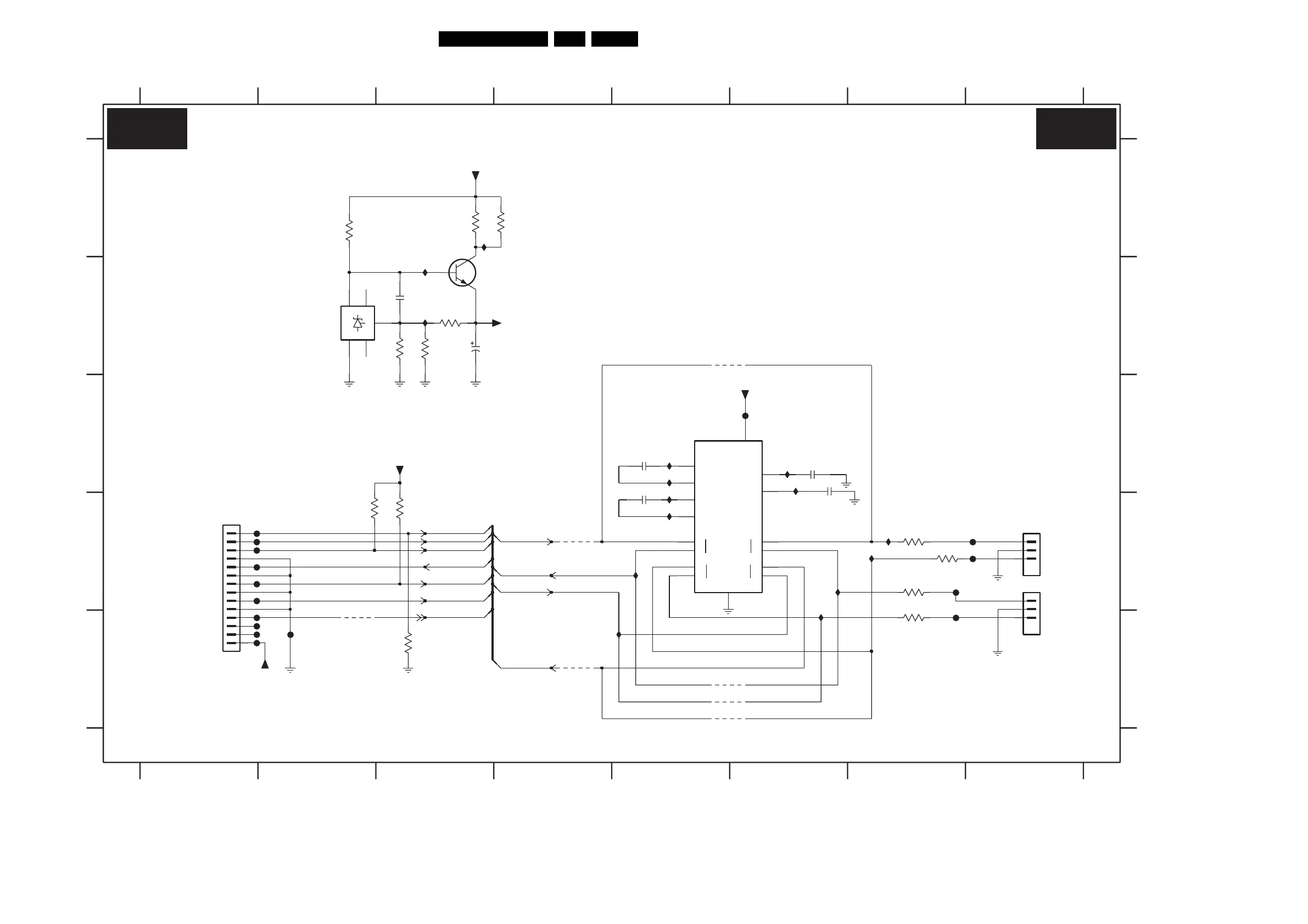
Circuit Diagrams and PWB Layouts
81BJ2.4U/BJ2.5U LA 7.
SSB: RS232 Interface
NCNC
A
REF
K
V+
V-
VCC
C1+
C1-
C2+
T2
T1
IN
IN OUT
OUT
GND
T1
C2-
R2
R1
T2
R1
R2
A
B
C
D
E
1U02 D8
1U03 D8
2U60 B3
2U61 B3
2U63 C5
7
A
B
C
D
E
1H07 D1
2U64 C6
2U65 C6
USE ONLY
FOR FACTORY
USE ONLY
FOR
FACTORY
RES
RES
234
1V3
5678
12 8456
RS232 INTERFACE
FU41 D2
FU42 D2
FU43 D2
FU44 D2
FU45 D2
FU46 E2
2U66 D5
3U72 A3
3U73 A4
3U74 A2
3U75 B3
3U76 B3
1
3U79 D7
3U81 E7
3U90 D3
3U91 D2
3U92 E3
3U98 D7
3U99 D7
7U20 B3
IU99 E4
7U21 B2
7U22 C5
9U01 E5
9U02 E5
9U07 E2
3
9U16 E4
FU30 C6
FU31 D7
IU64 D7
IU84 C6
IU85 D6
IU87 D5
FU32 E7
FU40 D2
FU47 E2
FU48 E2
FU49 E2
FU50 E2
FU51 D8
IU95 C5
IU96 D5
IU97 D7
IU98 D6
3U77 B3
IU90 A3
IU91 B3
IU92 B3
IU93 C5
IU94 C5
FU50
9U13 B5
9U14 E5
9U15 D4
FU52 D8
IU00 D7
FU40
FU48
FU47
FU32
1
2
3
45
B3B-PH-SM4-TBT(LF)
1U02
FU46
FU43
9U16
9U15
100R
3U79
2U66
100n
+3V3-UART
1
2
3
45
1U03
B3B-PH-SM4-TBT(LF)
3U81
100R
FU31
IU94
+3V3-UART
9U02
4
5
6
7
8
9
9U01
1
10
11
12
13
14
2
3
1H07
147279-3
IU85
+3V3
IU84
IU95
IU96
10K
3U90
10K
FU49
3U91
IU93
+5V2-STBY
150R
BC847B
7U20
FU45
3U73
FU44
100R
3U98
FU41
FU42
10n
2U60
2
4
3U74
1K0
5
3
1
FU30
7U21
TS431AILT
1K0
3U76
IU87
9U07
10V10u
2U61
IU97
IU98
IU99
9U13
9U14
100n
2U65
IU00
100n
2U63
IU64
+3V3
2
6
16
2U64
100n
5
15
13 12
89
11 14
10 7
Φ
RS232
1
3
4
7U22
ST3232C
IU90
10K
3U92
FU52
FU51
3U99
100R
1K0
3U75
3U77
1K5
IU92
3U72
IU91
RESET-SYSTEM
JTAG-TRST
GLINK-RXD
GLINK-TXD
150R
EJTAG-TCK
EJTAG-TDI
EJTAG-TDO
EJTAG-TMS
EJTAG-DETECT
TXD
RXD
B1C B1C
3104 313 6145.2
G_15930_023.eps
120606

Table of Contents

Other manuals for Philips 42PF9731D

Related product manuals