EasyManua.ls Logo

PIAGGIO X9 Evolution 125 2008 - Choke and Fuse Information

PIAGGIO X9 Evolution 125 2008
262 pages
Print Icon
To Next Page IconTo Next Page
To Next Page IconTo Next Page
To Previous Page IconTo Previous Page
To Previous Page IconTo Previous Page
Loading...
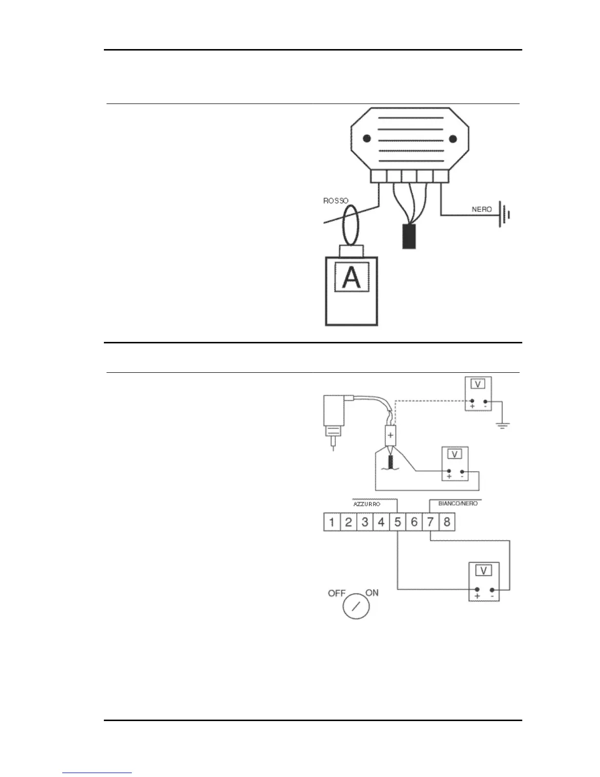
Recharge system voltage check
Connect an ammeter induction clamp to the volt-
age regulator positive terminal, measure the bat-
tery voltage and turning on the vehicles lights with
engine off, wait for the voltage to set at about 12
V. Start the engine and measure the current gen-
erated by the system with lights on and a high
running engine.
In case the generated current value is lower than
10A, repeat the test using a new regulator and/
stator alternatively.
Choke Inspection
Refer to the engine section to check the resistance
and operating conditions of the component. As re-
gards voltage supply, keep the connector connec-
ted to the system and check that the two terminals
receive battery voltage when the engine is on (see
figure).
If no voltage is detected, connect the multimeter
negative probe to the ground lead and the positive
probe to the automatic starter Orange cable; with
the key switch set to "ON" check whether there is
battery voltage; if there is no voltage, check the
wiring connections to the key switch and that the
15A fuse (No. 7) works properly.
If there is voltage, check again the ignition control
unit connector.
After disconnecting the starter, start up the engine
and keep it at idle speed; then check whether there
is voltage connecting the multimeter with the pos-
itive probe to terminal No. 5 (Blue), and the nega-
X9 Evolution 125 Electrical system
ELE SYS - 75

Table of Contents

Related product manuals