EasyManua.ls Logo

Polaris 800 RMK ASSAULT 2011 - Page 507

Polaris 800 RMK ASSAULT 2011
512 pages
To Next Page IconTo Next Page
To Next Page IconTo Next Page
To Previous Page IconTo Previous Page
To Previous Page IconTo Previous Page
Loading...
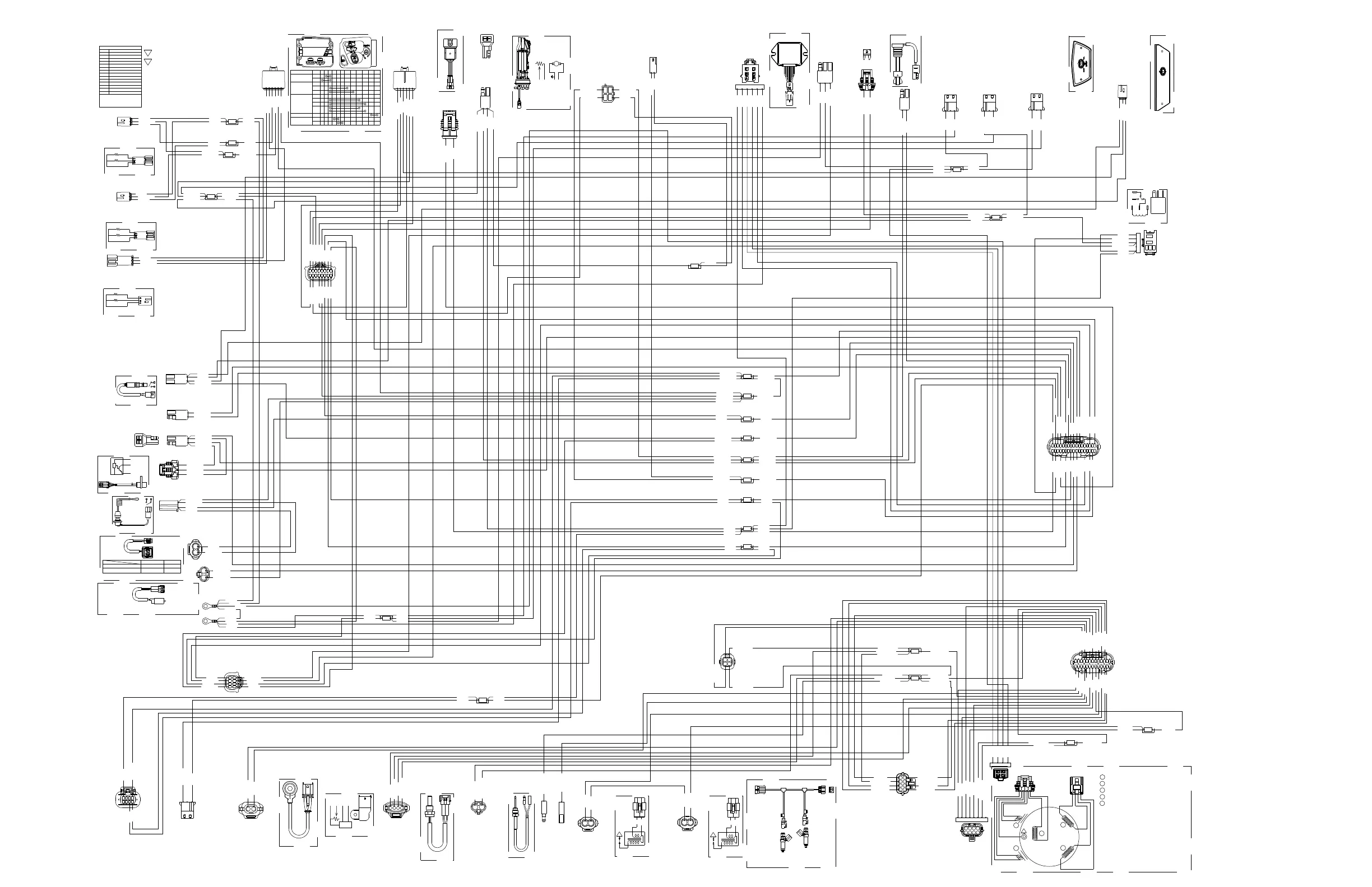
CHASSIS GROUND
EGT
ECU GND SPLICE
THUMBWARMER
(See 2nd Page)
CAPACITOR
REGULATOR
POWER
CHASSIS STATOR PWR
BK
WH
E
BK
WH
E
JUMPER HARNESS
TAILLIGHT
2411537RUSH
2411441 RMK
PERFORMANCE
RMK
TPS SENSOR
SOFT STOP
P1 P2
HARD STOP
P1P2
DIGITAL WRENCH
A B C D
E F G H
EV SOLENOID
12
CHASSIS/HOOD
MOLEX
33472_1601
1 2 3 4 5 6 7 8
9
10 11 12 13 14 1516
LH CONTROL SIGNAL
A B C D E F
LH CONTROL POWER
A B C D E F
129 WH/BK
129 WH/BK
P1
P2
P1
P2
P1
P2
066 YE/RD
066 YE/RD
ELECTRIC START
1234
5678
RIGHT HANDWARMER
A B C
LEFT HANDWARMER
A B C
068 OG/DG
068 OG/DG
069 GY/WH
069 GY/WH
073 DB
073 DB
070 DB/RD
070 DB/RD
SPLICE,HANDWARMER HIGH
12074 DB
074 DB
SPLICE,HANDWARMER LOW
12071 DB/RD
071 DB/RD
075 DB
075 DB
072 DB/RD
072 DB/RD
HW GND SPLICE
12
TAILLIGHT
DELPHI
12047781
A B C
BRAKE SWITCH
P1
P2
EXTERNAL POWER
123
DC TEST PWR
1 2 3
RCA ACCESSORY POWER
1 2 3
TETHER
P1
P2
GROUND SPEED CAPACITOR
.180 TERMINALS
P1
P2
GROUND SPEED SENSOR
A B C
ECM (CNA)
34-PIN (BLACK)
1234567891011121314151617
1819202122232425262728293031323334
P1
P1
COOLANT TEMP SENSOR
P1P2
TMAP SENSOR
1 2 3 4
TPS/INJ Harness
ABC
D
E
F G H
11
DETONATION SENSOR
1 2
FUEL PUMP
1
2 3
4
FUEL PUMP PRIME
12
ECM_(CNB)
12345678910111213
14151617181920212223242526
IGN COIL MAG
P1 P2
IGN COIL PTO
P1 P2
E002 DB/WH
E002 DB/WH
E015 YE/WH
E015 YE/WH
E003 RD/DB
E003 RD/DB
E016 RD/DB
E016 RD/DB
E021 OG
E021 OG
E026 OG
E026 OG
E007 BU
E007 BU
SENSOR_GND_1
12
SENSOR_PWR_1
12
E006 BK/DB
E006 BK/DB
E024 RD/WH
E024 RD/WH
E017 WH
E017 WH
E004 DG
E004 DG
E005 WH/RD
E005 WH/RD
CPS_LOW_SPLICE
12
E005A WH/RD
E005A WH/RD
E005B WH/DG
E005B WH/DG
ENG GND SPLICE
12
E019 BK
E019 BK
E019A BK
E019A BK
E024A RD/WH
E024A RD/WH
E006A BK/DB
E006A BK/DB
E018 RD
E018 RD
E019B BK
E019B BK
E027 WH
E027 WH
E006B BK/DB
E006B BK/DB
E022 WH/BK
E022 WH/BK
E006C BK/DB
E006C BK/DB
E006D BK/DB
E006D BK/DB
E024B RD/WH
E024B RD/WH
E008 YE/RD
E008 YE/RD
E020 GY
E020 GY
E023 PK
E023 PK
E025 VT
E025 VT
E009 BK/WH
E009 BK/WH
P1P2
P3P4
E006E BK/DB
E006E BK/DB
E006E BK/DB
E024C RD/WHE024C RD/WH
E010 YE/WH
E010 YE/WH
E010 YE/WH
E011 WH/BK
E011 WH/BK
AC REGULATOR
P1
P2
P3
001 DG/WH
001 DG/WH
003 RD/BK
003 RD/BK
CHASSIS SENSOR GND SPLICE #1
12
007 BK/DB
007 BK/DB
HARD STOP SPLICE
12
009 BK
009 BK
010 GY
010 GY
BRAKE SW SPLICE
12
011 OG/BK
011 OG/BK
012 VT
012 VT
014 PK/BK
014 PK/BK
12
015 BN/WH
015 BN/WH
016 BN/WH
016 BN/WH
EXT PWR SPLICE
12
017 OG
017 OG
FUEL PUMP CONTROL SPLICE
12
019 BN/YE
019 BN/YE
020 OG
020 OG
021 OG
021 OG
025 BK/RD
025 BK/RD
026 OG/WH
026 OG/WH
CAN LOW SPLICE
12
CAN HI SPLICE
12
027 DG
027 DG
028 YE
028 YE
030 WH/YE
030 WH/YE
033 WH/DB
033 WH/DB
REGULATOR PWR SPLICE
12
034 RD
034 RD
081 OG
081 OG
082 OG
082 OG
053 DG
053 DG
054 DG
054 DG
056 YE
056 YE
051 BN/YE
051 BN/YE
052 BN/YE
052 BN/YE
050 BN/WH
050 BN/WH
049 BN/WH
049 BN/WH
048 BN/WH
048 BN/WH
047 BN/WH
047 BN/WH
045 OG/BK
045 OG/BK
135 OG/BK
135 OG/BK
046 OG/BK
046 OG/BK
044 BK
044 BK
079 BK
079 BK
043 BK
043 BK
055 YE
055 YE
008 DG/RD
008 DG/RD
058 BN/WH
058 BN/WH
036 BK/DB
036 BK/DB
037 BK/DB
037 BK/DB
CHASSIS SENSOR GND SPLICE #2
12 035 BK/DB
035 BK/DB
041 BK/DB
041 BK/DB
040 BK/DB
040 BK/DB
039 BK/DB
039 BK/DB
078 BK/DB
078 BK/DB
038 BK/DB
038 BK/DB
042 BK/DB
042 BK/DB
111 RD
111 RD
110 RD
110 RD
CHASSIS PWR SPLICE
12
112 RD
112 RD
115 RD
115 RD
113 RD
113 RD
114 RD
114 RD
118 RD/WH
118 RD/WH
120 RD/WH
120 RD/WH
119 RD/WH
119 RD/WH
116 RD/WH
116 RD/WH
117 RD/WH
117 RD/WH
121 RD
121 RD
126 RD
126 RD
FUEL PUMP PWR SPLICE
12
122 RD
122 RD
123 RD
123 RD
124 RD
124 RD
AC PWR SPLICE
1 2
060 YE
060 YE
061 YE
061 YE
062 YE
062 YE
063 YE
063 YE
127 RD/DG
127 RD/DG
128 RD/YE
128 RD/YE
ACC POWER TEST
1 2 3
064 YE
064 YE
DC GND SPLICE
12
067 DG/YE
067 DG/YE
132 WH/RD
132 WH/RD
134 VT/WH
134 VT/WH
130 WH
130 WH
104 BN/WH
104 BN/WH
103 BN/WH
103 BN/WH
105 BN/WH
105 BN/WH
106 BN/WH
106 BN/WH
107 BN/WH
107 BN/WH
092 BN
092 BN
090 BN
090 BN
091 BN
091 BN
093 BN
093 BN
131 BN
131 BN
094 BN
094 BN
095 BN
095 BN
097 BN
097 BN
096 BN
096 BN
CHASSIS GND
1 2
098 BN
098 BN
101 BN
101 BN
100 BN
100 BN
099 BN
099 BN
102 BN
102 BN
057 YE
057 YE
080 DG
080 DG
ACC PWR FUSE
A B
1
2
4
5
3
CHASSIS PWR RELAY
12345
077 YE
077 YE
076 YE
076 YE
059 OG/WH
059 OG/WH
A B C
D
EF
G
H
STATOR PWR/SIGNALS
ABCDEFGH
POWER/VOLTBOOST
A B C D E F
WIRE COLOR LEGEND
BG
BK
BU
DB
BN
GY
GN
DG
OG
PK
RD
VT
WH
YE
BEIGE (TAN)
BLACK
LIGHT BLUE
DARK BLUE
BROWN
GRAY
LIGHT GREEN
DARK GREEN
ORANGE
PINK
RED
VIOLET (PURPLE)
WHITE
YELLOW
TWO WIRE COLORS ARE SHOWN
WITH MAIN/TRACE COLORS.
EXAMPLE:RD/YE = RED WITH
YELLOW TRACE.
2013 PRO-RIDE STANDARD 1 of 2
FILE NAME: 2411810.RSD
E = ENGINE GROUND
C = CHASSIS GROUND
NC = SWITCH NORMALLY CLOSED
NO = SWITCH NORMALLY OPEN
CL CLEAR
A B C D E F AA BB CC DD EE FF
LH HANDLEBAR SWITCH ASSEMBLY (P/N 2010290)
AFAAFF
HEADLIGHT
THUMBWARMER
HANDWARMER
REVERSE
MODE
LO
HI
HI
LO
OFF
OFF
LO
MED
HI
ON
MODE
SET
LEFT HANDWARMER
A=LOW
B=MED
C=GND
13%%185
21%%185
RIGHT HANDWARMER
A=LOW
B=MED
C=GND
THUMBWARMER
A=LOW
B=HI
C=GND
EV SOLENOID
(P/N 4011244)
2 4 3 1
PUMP
FUEL PUMP
OIL LEVEL SWITCH
TETHER SWITCH
(CLOSED WHEN
TETHER PULLED)
HAND BRAKE SWITCH
(CLOSED WHEN HAND
BRAKE APPLIED)
(P/N 4010758)
TAILLIGHT
87a
86
85
30
87
RELAY
RD
WH
BK
POWER IN
V OUT
COMMON
HALL
SENSOR
SPEED SENSOR (P/N 2410376)
X
A B C
DETONATION SENSOR
T MAP SENSOR
SENSOR
PRESSURE
1 2
+5v
SIGNAL
43
GROUND
NTC
1 4
WATER TEMP SENSOR
EGT SENSOR
REGULATOR
P1P2P3P4
PTO IGNITION COIL
MAG IGNITION COIL
TAILLIGHT
A=TAIL
B=STOP
C-GND
A
B
C
MAG
FUEL
INJECTOR
INJECTOR
FUEL
PTO
CHASSIS HARNESS TPS
INJECTOR HARNESS
BN
YE
OG
Z
POWER/SIGNALS
CHASSIS
STATOR POWER
MAGNETO
(STATOR)
STATOR
X
Y
E
OG
V
W
BK
WH
WH/RD
DG
WH/DG
YE
YE
CHASSIS DC
CRANK POSITION SENSOR (#1)
CRANK POSITION SENSOR (#2)
CHASSIS AC
SYSTEM POWER
V
W
X
Y
Z
AUX SHUT-OFF SWITCH (P/N 4013615)
BK/BU TO BK FUNCTION
SWITCH POSITION UP
SWITCH POSITION DOWN
RUN
SHUTDOWN
OPEN CCT
CLOSED CCT
THROTTLE SAFETY SWITCH (P/N 4013616)

Table of Contents

Related product manuals