EasyManua.ls Logo

Prestigio Visconte - Lcd

Prestigio Visconte
95 pages
Print Icon
To Next Page IconTo Next Page
To Next Page IconTo Next Page
To Previous Page IconTo Previous Page
To Previous Page IconTo Previous Page
Loading...
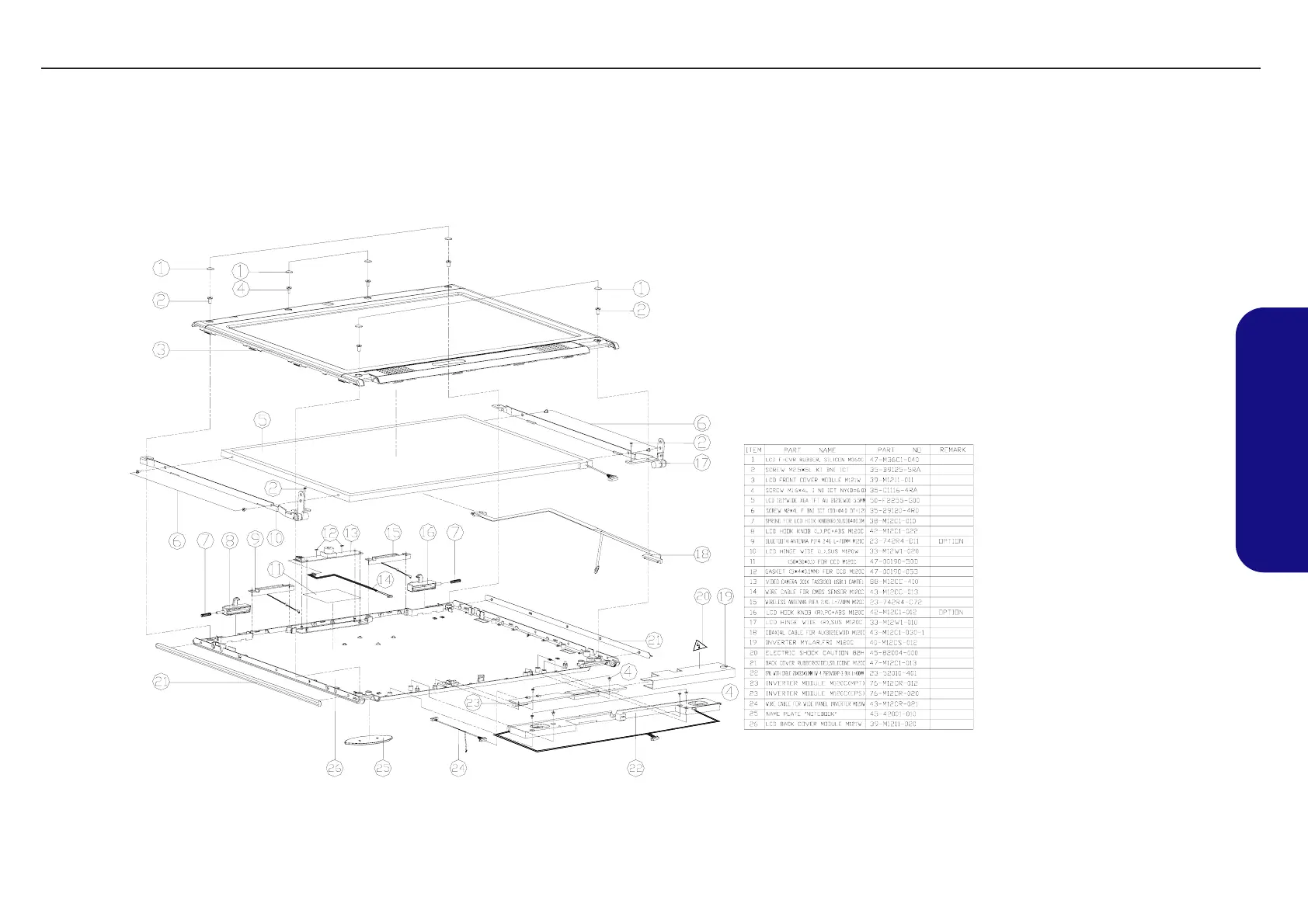
A.Part Lists
LCD
Figure A - 4
LCD
導電貼布
TECHNICAL SERVICE MANUALPrestigio Visconte 125W
5

Table of Contents

Related product manuals