EasyManua.ls Logo

Prestigio Visconte - Power Supply and Audio Circuit Diagrams

Prestigio Visconte
95 pages
Print Icon
To Next Page IconTo Next Page
To Next Page IconTo Next Page
To Previous Page IconTo Previous Page
To Previous Page IconTo Previous Page
Loading...
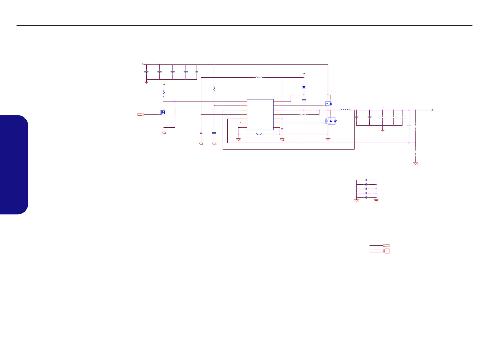
B.Schematic Diagrams
Power Board +1.2V, +1.05V
PC115
10u(0805)
PC132
10U/25V_1206_R
PC138
0.1U
GND_FIELD2
Z3904
PC124
10U_0805
GND_FIELD2
PU4
SC1470
1
2
3
4
5
6
7 8
9
10
11
12
13
14
EN/PSV
VIN
VOUT
VCCA
FBK
PGOOD
GND PGND
DL
VDDP
ILIM
LX
DH
BST
PC128 0.1U
PC134
10U/25V_1206
Z3906
PC122
0.01U
Z3903
PC104
220U/2V_D
PR65
10K
1 2
PC133
10U/25V_1206
PR73
14.3K_1%
PR64 10
GND_FIELD2
PQ26B
AO4900
7
2
1
8
PR75 0
PC99 0.1U
Z3908
Z3905
PD22
SCS551V
AC
+VDD5_P
PQ16
2N7002
G
DS
PC136 0.1U
PC39
220U/2V_D
+1.2VS_P 29
PC131
0.01U
Z3909
PR85 20K_1%
SUSB_P26
+VDD5_P
3A
GND_FIELD2
VIN_P 26,27,28,29
Z3901
PC129
0.1u
Z3902
PL7
2.5UH
1 2
PR66
1M
PC123
0.1U
Z3907
GND_FIELD2
VIN_P
PQ26A
AO4900
5
4
3
6
PC130
0.1U
+1.2VS_P
PC102 0.1U
PC107 0.1U
PR72
10K_1%
PC120
47P
PC116
0.1U
+VDD5_P 26,27,29
PC114
0.1U
1
2
Sheet 25 of 31
Power Board +1.2V
TECHNICAL SERVICE MANUAL Prestigio Visconte 125W
26

Table of Contents

Related product manuals