EasyManua.ls Logo

Red Dragon WEAPON/EPIC-W - Page 209

Red Dragon WEAPON/EPIC-W
260 pages
Print Icon
To Next Page IconTo Next Page
To Next Page IconTo Next Page
To Previous Page IconTo Previous Page
To Previous Page IconTo Previous Page
Loading...
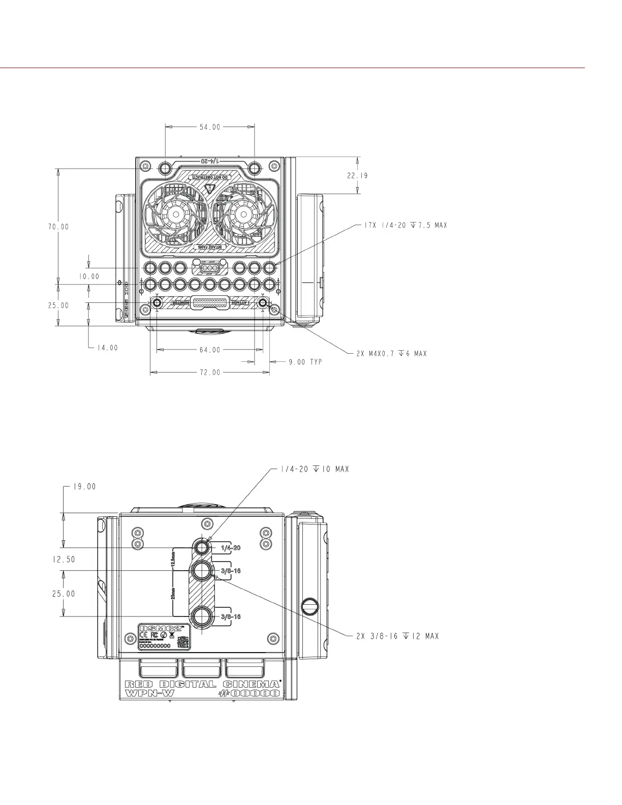
TOP VIEW
Figure: WEAPON8K S35 Top View
BOTTOM VIEW
Figure: WEAPON8K S35 Bottom View
C OPYRI GHT © 2017 R ED.C O M , I NC 955- 01 38 _V6.3, REV-D | 209
WEAPON/EPIC-W OPERATION GUIDE

Table of Contents

Related product manuals