EasyManua.ls Logo

Red Dragon WEAPON/EPIC-W - Page 214

Red Dragon WEAPON/EPIC-W
260 pages
Print Icon
To Next Page IconTo Next Page
To Next Page IconTo Next Page
To Previous Page IconTo Previous Page
To Previous Page IconTo Previous Page
Loading...
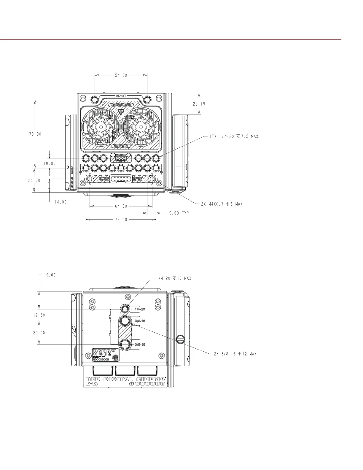
TOP VIEW
Figure: EPIC-W Top View
BOTTOM VIEW
Figure: EPIC-W Top View
C OPYRI GHT © 2017 R ED.C O M , I NC 955- 01 38 _V6.3, REV-D | 214
WEAPON/EPIC-W OPERATION GUIDE

Table of Contents

Related product manuals