EasyManua.ls Logo

RED PRIMULA - 7 Electrical Diagrams; ELECTRICAL DIAGRAM of PRIMULA;ORCHIDEA - GARDENIA;MARGHERITA Hydro with no DOMESTIC HOT WATER KIT

RED PRIMULA
66 pages
Print Icon
To Next Page IconTo Next Page
To Next Page IconTo Next Page
To Previous Page IconTo Previous Page
To Previous Page IconTo Previous Page
Loading...
PELLET STOVES Chapter 7
red
INSTALLATION AND USE MANUAL
page 64
Electrical diagrams Technical service - Rights reserved - Reproduction prohibited
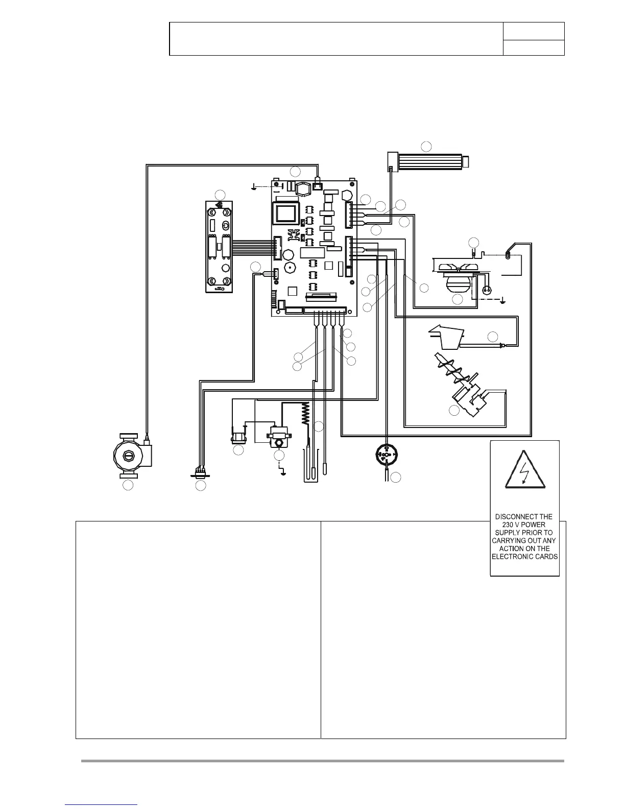
7. ELECTRICAL DIAGRAMS
7.1. ELECTRICAL DIAGRAM OF PRIMULA/ORCHIDEA – GARDENIA/MARGHERITA
Hydro WITH NO DOMESTIC HOT WATER KIT
25
26
22
11
16
12
15
14
13
12
11
10
23
24
17
18
21
20
19
4
2
3
1
5
7
9
6
8
1. PROGRAMMING
2. MOTHERBOARD
3. CONSOLE
4. WARM AIR FAN (IF PROVIDED)
5. NEUTRAL
6. ABOUT 230V
7. PHASE
8. SMOKE FAN
9. EXCHANGER
10. RESETTABLE PELLET SAFETY
11. PRESSURE SWITCH
12. SPARKPLUG
13. FEED SCREW
14. SMOKE SENSOR
15. SMOKE EXHAUST FAN
16. GEARMOTOR
17. SMOKE SENSOR RED +
18. BLUE -
19. EXTERNAL THERMOSTAT
20. ROOM TEMPERATURE SENSOR
21. H2O PROBE
22. TEMPERATURE PROBE
23. SERIAL CONNECTOR
24. PUMP
25. KLIXON PELLET
26. KLIXON H2O
LIVE ELECTRICAL
CABLES

Table of Contents

Other manuals for RED PRIMULA

Related product manuals