EasyManua.ls Logo

REXROTH VFC 3610 - Relay Output Terminals

REXROTH VFC 3610
98 pages
Print Icon
To Next Page IconTo Next Page
To Next Page IconTo Next Page
To Previous Page IconTo Previous Page
To Previous Page IconTo Previous Page
Loading...
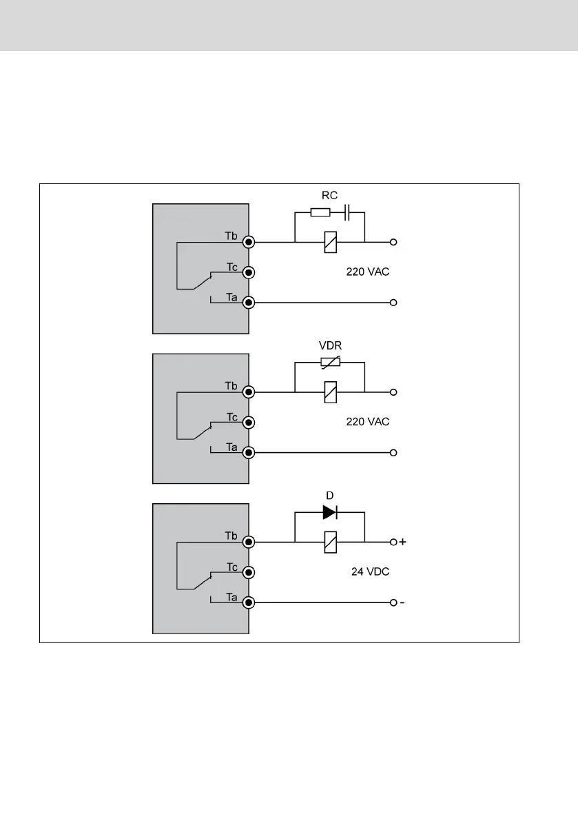
Relay output terminals
When relay output terminals are connected with inductive loads (relays, contac-
tors, solenoid valves, motors, etc.), following noise suppression circuits need to
be applied at the coils of the inductive loads, as close as possible to the induc-
tive loads, in order to reduce the electromagnetic interference generated from
inductive load action.
Tb Shared terminal
Tc Normally closed contact
Ta Normally open contact
RC RC filtering
VDR Varistor
D Diode
Fig. 2-9: Noise suppression circuits for relay output terminals
28/91
Electric Installation
Rexroth Frequency Converter VFC
3610 / VFC 5610
Bosch Rexroth AG R912005518_Edition 16

Table of Contents

Related product manuals