EasyManua.ls Logo

Riello 20148874 - Page 84

Riello 20148874
88 pages
Print Icon
To Next Page IconTo Next Page
To Next Page IconTo Next Page
To Previous Page IconTo Previous Page
To Previous Page IconTo Previous Page
Loading...
20152192
82
GB
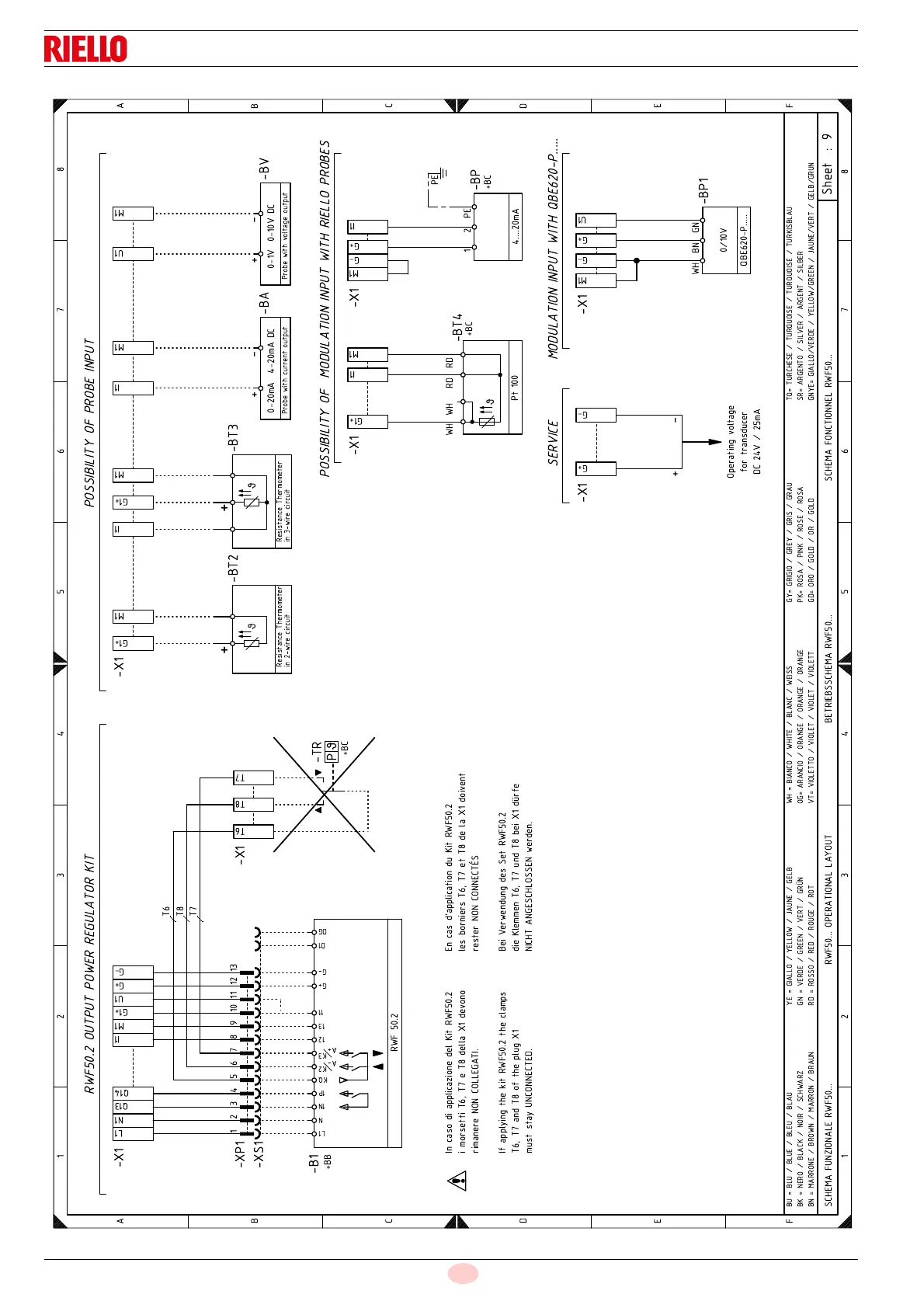
Appendix - Electrical panel layout












 
!"


#


!$%""&





$%""&'(
#()*
#()*
%
%
 &$"+" "!  &$  &$" ""
,-./012.3342-.520,142
2607/2(8)*144.190,0
726.,7"" 
:.334;2,<=2-4.63/
(8).,1*0:34><
6>//.;" "" %



"
'
'#
#()

*
$








,-./1?.3342-.20,1>2
4/@07,27/(8)*14.1029,
7/7"" "" A
27B,1>,<1/
12466,(8)>,1*@21C7:
" &" &"B71,
(
*
)
(
*
)


$


$

37.2,<904.<
:077.,/1>-7
% #D6



#6

& & % %




6#6%

$
$
$
$

& "
'(
"
D

%




$

EDDD
E"D D"D &+
!ED!DF"D
"E%D"DDG"
%ED%DD
&E" D&D" D
E" D"D"D"
EDDD
!ED!DD
ED"DD
%ED%DD%
'E &D'D'D
E"DD"D
"!ED%D!D"DF"DDD""E$"D"D$"D"

"
"
'






%
%




/2/.,-76067
2,B27-27->2
/2/.,-76067
2,B27-27->2
70@B2->77,0>3> 70@B2904.<0>3>

Table of Contents

Related product manuals