EasyManua.ls Logo

ROHS MC9S08QE128 - Page 252

Default Icon
345 pages
Print Icon
To Next Page IconTo Next Page
To Next Page IconTo Next Page
To Previous Page IconTo Previous Page
To Previous Page IconTo Previous Page
Loading...
Serial Communications Interface (S08SCIV4)
MC9S08QE128 MCU Series Reference Manual, Rev. 2
252 Freescale Semiconductor
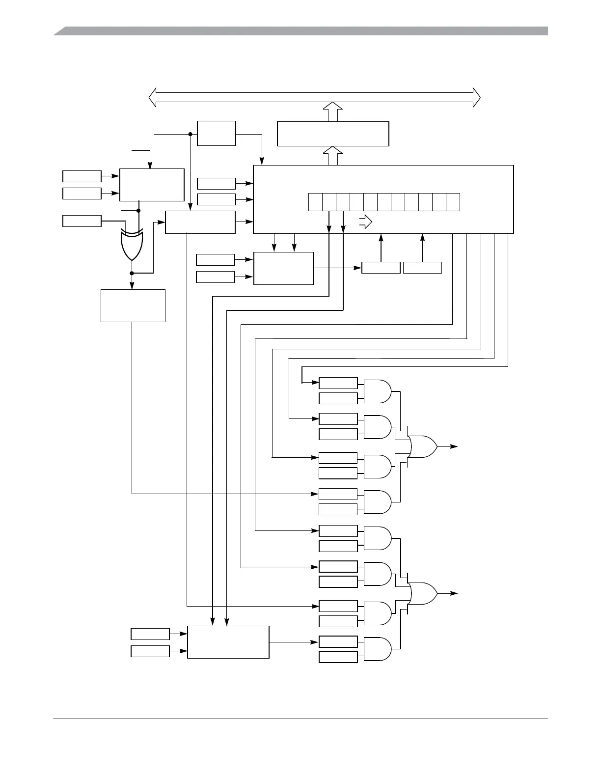
Figure 14-4 shows the receiver portion of the SCI.
Figure 14-4. SCI Receiver Block Diagram
H 8 7 6 5 4 3 2 1 0 L
SCID – Rx BUFFER
(READ-ONLY)
INTERNAL BUS
STOP
11-BIT RECEIVE SHIFT REGISTER
START
SHIFT DIRECTION
LSB
F
ROM RxD PIN
RATE CLOCK
Rx INTERRUPT
REQUEST
DATA RECOVERY
DIVIDE
16 × BAUD
SINGLE-WIRE
LOOP CONTROL
WAKEUP
LOGIC
ALL 1s
MSB
FROM
TRANSMITTER
ERROR INTERRUPT
REQUEST
PARITY
CHECKING
BY 16
RDRF
RIE
IDLE
ILIE
OR
ORIE
FE
FEIE
NF
NEIE
PF
LOOPS
PEIE
PT
PE
RSRC
WAKE
ILT
RWU
M
LBKDIF
LBKDIE
RXEDGIF
RXEDGIE
ACTIVE EDGE
DETECT
RXINV
LBKDE
RWUID

Table of Contents