EasyManua.ls Logo

Samsung MOSCON-E7 - 3.2 Terminal block configuration

Samsung MOSCON-E7
88 pages
Print Icon
To Next Page IconTo Next Page
To Next Page IconTo Next Page
To Previous Page IconTo Previous Page
To Previous Page IconTo Previous Page
Loading...
3.Wiring 3-5
Figure 3.2 Connection diagram (400V class)
Note 1) : Shield wire, : Twisted pair shield wire.
2) : Main circuit terminal, : Control circuit terminal.
3) Max. current value for +12V voltage of the control circuit terminal No.8 is 20.
+1
MCCB
+2
N P/B
Built-in braking unit is available
for the 400V class. Thus, the
external braking resistor can be
installed as an option. External
braking unit is an option
External DC reactor to
improve power factor.
(optional)
Input power
E
8
9
12
10
11
Multi-function
contact input
Multi-function
contact output
DC 30V 1A max
AC 250V 1A max
(
basic settin
g
: fault
)
1k
2k
Power for speed command
(+12V 20mA)
Sequence Command
Ground
S
pee
d
comman
d
(0~10V 20k)
Analo
g
command
S
pee
d
comman
d
(4~20mA 250)
A
na
l
o
g
monitor output
(0~10V)
Motor
R/L1
S/L2
T/L3
U/T1
V/T2
W/T3
Forward r un/stop
Reverse run/stop
External fault
Fault reset
Multi-step command1
Jogging
1
2
3
4
A1
B1
C1
7
6
5
Braking resistor
Unit
(optional)
Braking Unit or Auxiliary Capacitor
(optional)
M
p
3-6 MOSCON-E7 User’s Manual
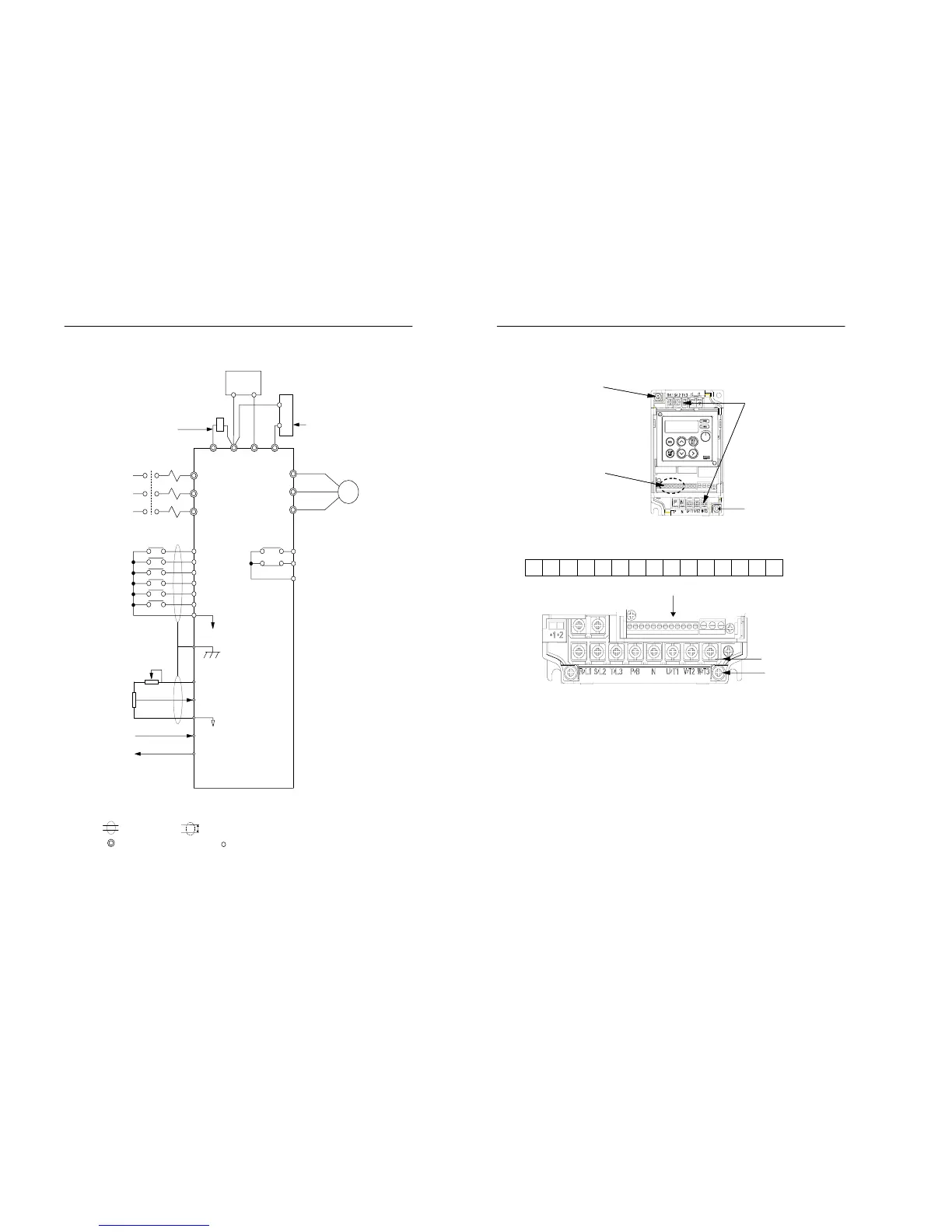
3.2 Terminal block configuration
1 2 3 4 5 6 7 8 9 10 11 12 A1 B1 C1
[21P5 – 23P7, 40P4 – 43P7]
Figure 3.3 Terminal configuration
Ground terminal
Control circuit
terminal block
Ground terminal
Main circuit terminal
block
[20P4, 20P7]
Control circuit terminal
Main circuit terminal
Ground terminal
[20P4, 20P7]

Table of Contents

Related product manuals