EasyManua.ls Logo

Schweitzer Engineering Laboratories SEL-2020 - Page 22

Schweitzer Engineering Laboratories SEL-2020
470 pages
Print Icon
To Next Page IconTo Next Page
To Next Page IconTo Next Page
To Previous Page IconTo Previous Page
To Previous Page IconTo Previous Page
Loading...
4
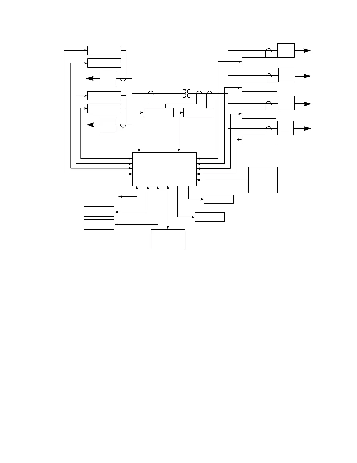
SEL-311C
SEL-311C
SEL-587
SEL-351
SEL-351A
SEL-351A
RTU
Printer
IRIG-B
Time
Receiver
SEL-351A
SEL-351A
SEL-321
SEL-321
SEL-2020
Communications
Processor
Local User
Interface
SCADA
EMS
2
Telephone
Line
3
4
5
6
1
DWG: ds2020-001.vsd
Figure 1: SEL-2020 Example Configuration Diagram

Table of Contents

Related product manuals