EasyManua.ls Logo

Schweitzer Engineering Laboratories SEL-251 - Page 128

Schweitzer Engineering Laboratories SEL-251
208 pages
Print Icon
To Next Page IconTo Next Page
To Next Page IconTo Next Page
To Previous Page IconTo Previous Page
To Previous Page IconTo Previous Page
Loading...
5-24 Applications Date Code 20000421
SEL-251, -2, -3 Instruction Manual
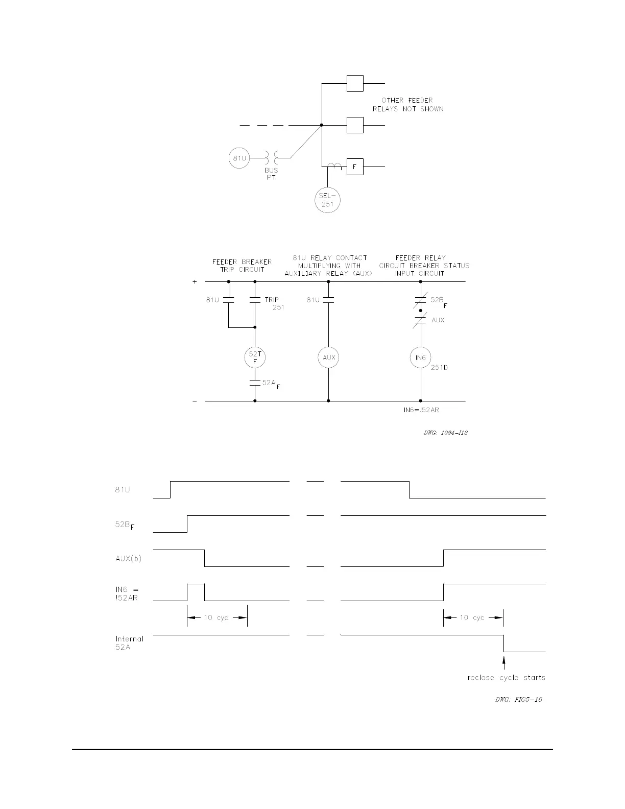
Figure 5.15: Underfrequency Load Shedding and Reclose Initiate Supervision
Figure 5.16: Timing for Reclose Initiation

Table of Contents

Related product manuals