EasyManua.ls Logo

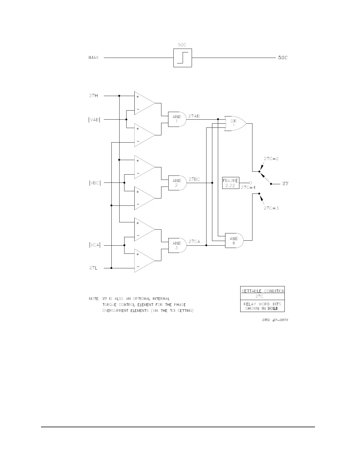
Schweitzer Engineering Laboratories SEL-251 - Figure 2.21: SEL-251 Overcurrent and Undervoltage Elements

Schweitzer Engineering Laboratories SEL-251
208 pages
Print Icon
To Next Page IconTo Next Page
To Next Page IconTo Next Page
To Previous Page IconTo Previous Page
To Previous Page IconTo Previous Page
Loading...
2-38 Specifications Date Code 20000421
SEL-251, -2, -3 Instruction Manual
Figure 2.21: SEL-251 Overcurrent and Undervoltage Elements

Table of Contents

Related product manuals