EasyManua.ls Logo

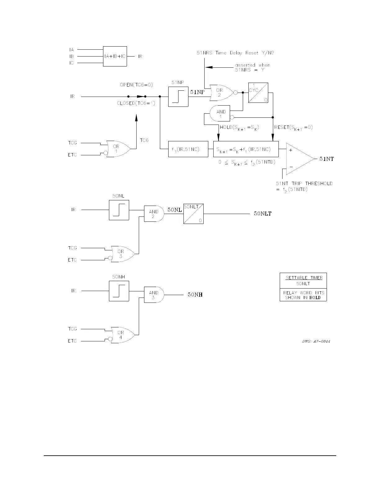
Schweitzer Engineering Laboratories SEL-251 - Figure 2.20: SEL-251 Ground;Residual Overcurrent Logic Diagrams

Schweitzer Engineering Laboratories SEL-251
208 pages
Print Icon
To Next Page IconTo Next Page
To Next Page IconTo Next Page
To Previous Page IconTo Previous Page
To Previous Page IconTo Previous Page
Loading...
Date Code 20000421 Specifications 2-37
SEL-251, -2, -3 Instruction Manual
Figure 2.20: SEL-251 Ground/Residual Overcurrent Logic Diagrams

Table of Contents

Related product manuals