EasyManua.ls Logo

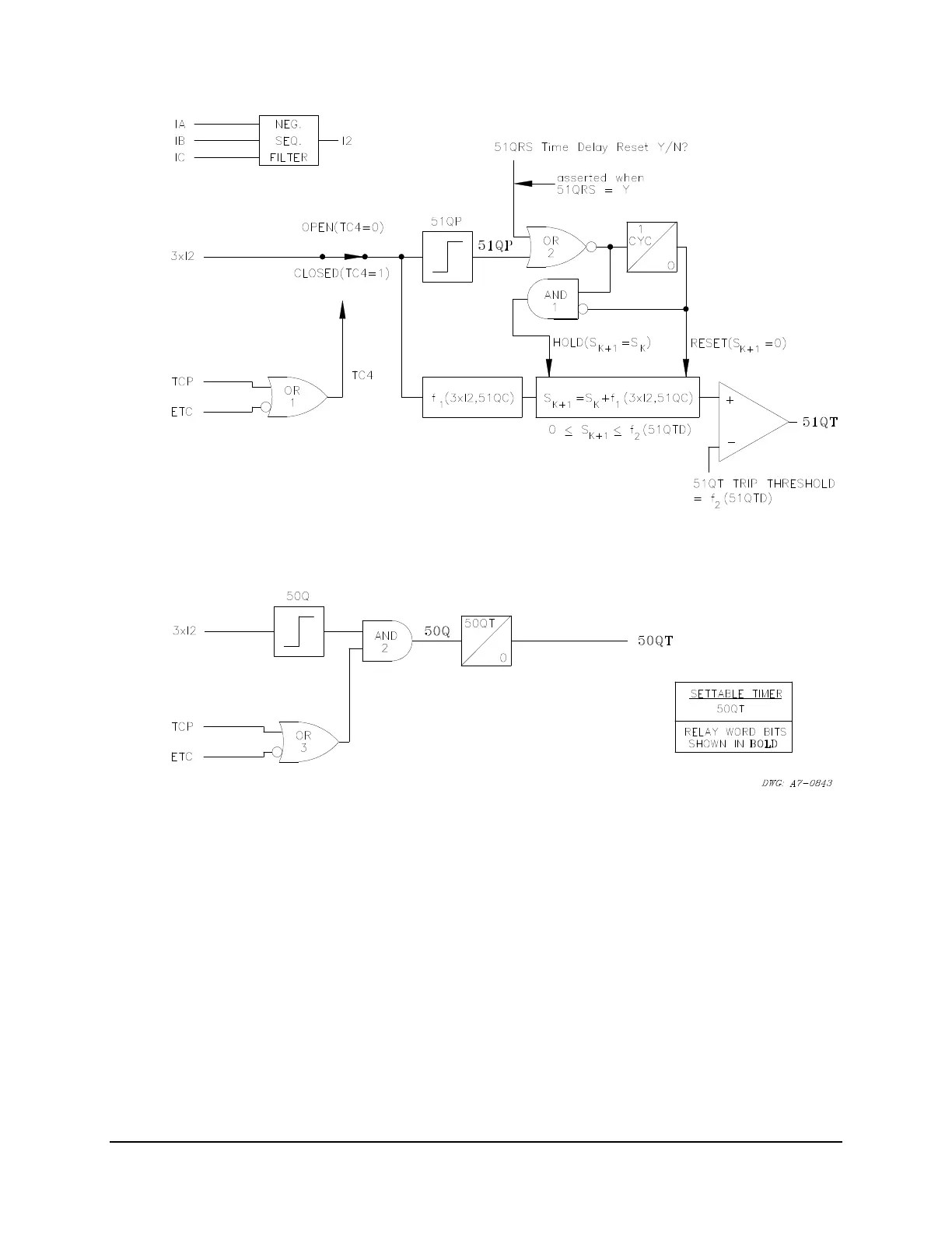
Schweitzer Engineering Laboratories SEL-251 - Figure 2.19: SEL-251 Negative-Sequence Overcurrent Logic Diagrams

Schweitzer Engineering Laboratories SEL-251
208 pages
Print Icon
To Next Page IconTo Next Page
To Next Page IconTo Next Page
To Previous Page IconTo Previous Page
To Previous Page IconTo Previous Page
Loading...
2-36 Specifications Date Code 20000421
SEL-251, -2, -3 Instruction Manual
Figure 2.19: SEL-251 Negative-Sequence Overcurrent Logic Diagrams

Table of Contents

Related product manuals