EasyManua.ls Logo

Schweitzer Engineering Laboratories SEL-251 - Trip Failure Timer Detects Breaker Failure or Slow Trip - See Figure 2.24; Trip Circuit Monitor Alarm Checks Trip Circuit and Verifies Circuit Breaker Status Input; Figure 2.3: Time Delayed 52 A and 52 B Functions; Figure 2.4: Trip Circuit Monitor (TCM) DC Voltage Connections

Schweitzer Engineering Laboratories SEL-251
208 pages
Print Icon
To Next Page IconTo Next Page
To Next Page IconTo Next Page
To Previous Page IconTo Previous Page
To Previous Page IconTo Previous Page
Loading...
Date Code 20000421 Specifications 2-9
SEL-251, -2, -3 Instruction Manual
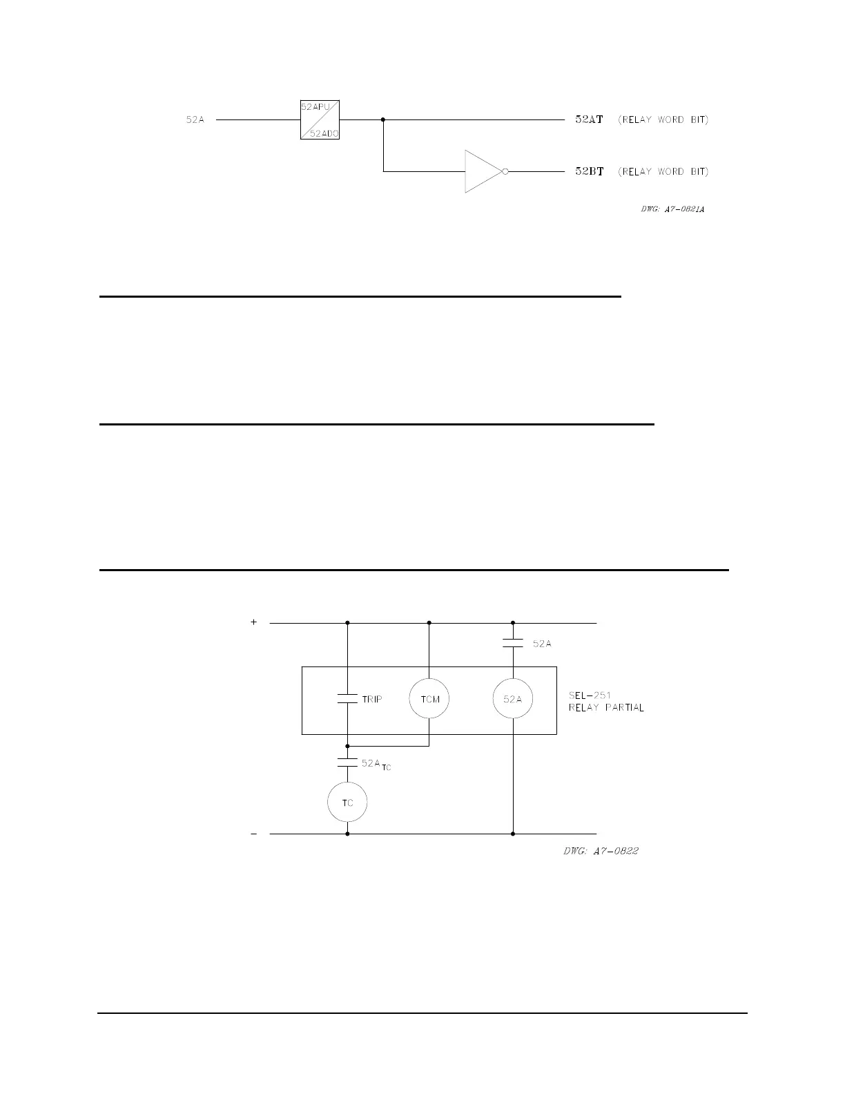
Figure 2.3: Time Delayed 52A and 52B Functions
Trip Failure Timer Detects Breaker Failure or Slow Trip - See Figure 2.24
A relay trip starts a trip failure timer. If the trip condition lasts longer than the TFT setting, the
TF bit in the Relay Word asserts. The TF bit deasserts 60 cycles after the trip condition drops
out. The TF bit can be assigned to an output contact to alarm for slow trips or to provide breaker
failure tripping. It can also be used to cancel reclosing or trigger an event report.
Close Failure Timer Detects Failure to Close or Slow Close - See Figure 2.25
A close failure timer monitors the length of time the CLOSE output contact remains asserted. If
CLOSE output contact assertion exceeds the CFT time setting, the close attempt is unsuccessful.
The relay opens the CLOSE output contact, the reclosing relay locks out, and the CF bit in the
Relay Word asserts. The CF bit asserts for 60 cycles. Use the CF bit to alarm for close failures
or slow-close conditions and to trigger event reports.
Trip Circuit Monitor Alarm Checks Trip Circuit and Verifies Circuit Breaker Status Input
You can assign one of the six programmable inputs to the trip circuit monitor (TCM) logic.
Figure 2.4: Trip Circuit Monitor (TCM) DC Voltage Connections
When the circuit breaker is closed (consequently 52A
TC
is closed) and the TRIP output contact is
not asserted, the TCM input allows a few milliamperes of current through the trip coil. The volt-
age drop is across the TCM input because the input has a much higher impedance than the trip
coil.

Table of Contents

Related product manuals