EasyManua.ls Logo

Schweitzer Engineering Laboratories SEL-251 - Page 153

Schweitzer Engineering Laboratories SEL-251
208 pages
Print Icon
To Next Page IconTo Next Page
To Next Page IconTo Next Page
To Previous Page IconTo Previous Page
To Previous Page IconTo Previous Page
Loading...
Date Code 20000421 Installation 6-17
SEL-251, -2, -3 Instruction Manual
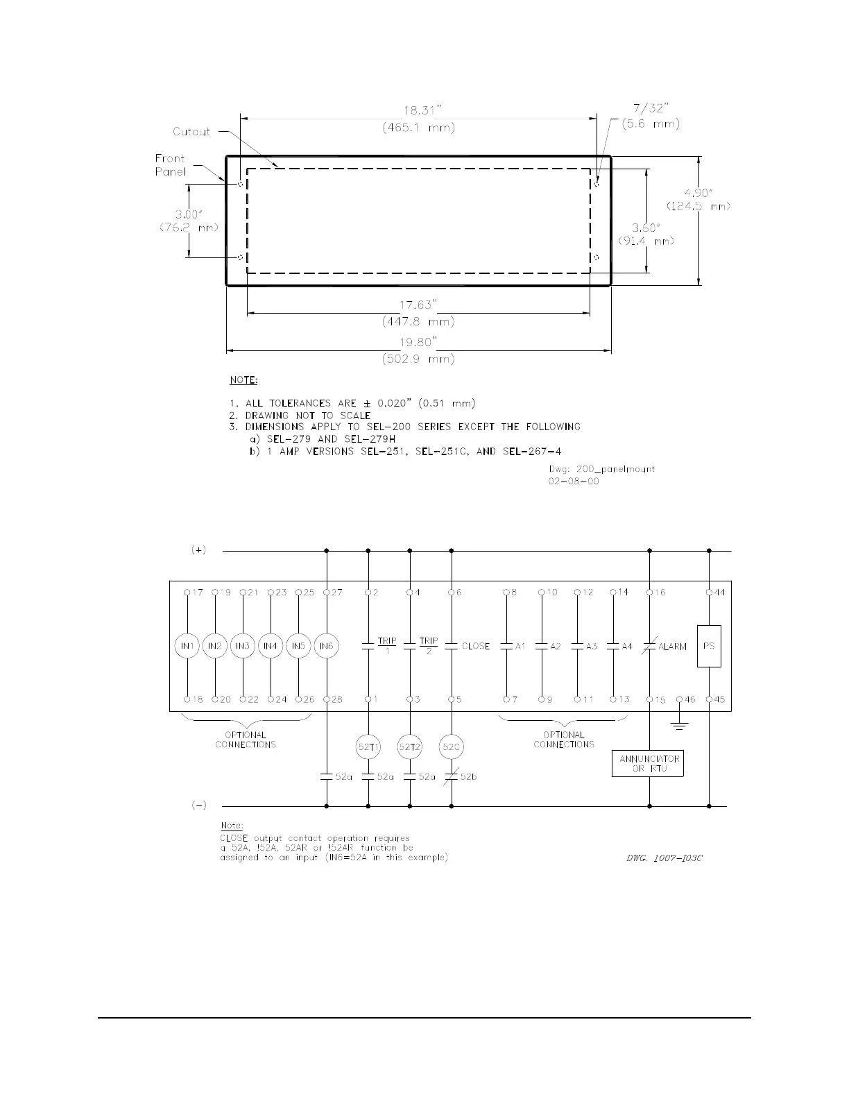
Figure 6.6: Panel Cutout Diagram for Panel-Mount Relays
Figure 6.7: SEL-251 Conventional Terminal Block Model DC External Connection
Diagram (Typical)

Table of Contents

Related product manuals