EasyManua.ls Logo

Sinoboom 0607SE - Page 107

Sinoboom 0607SE
114 pages
Print Icon
To Next Page IconTo Next Page
To Next Page IconTo Next Page
To Previous Page IconTo Previous Page
To Previous Page IconTo Previous Page
Loading...
REPAIR
0607SE Maintenance Manual 6-43 © Jan 2022
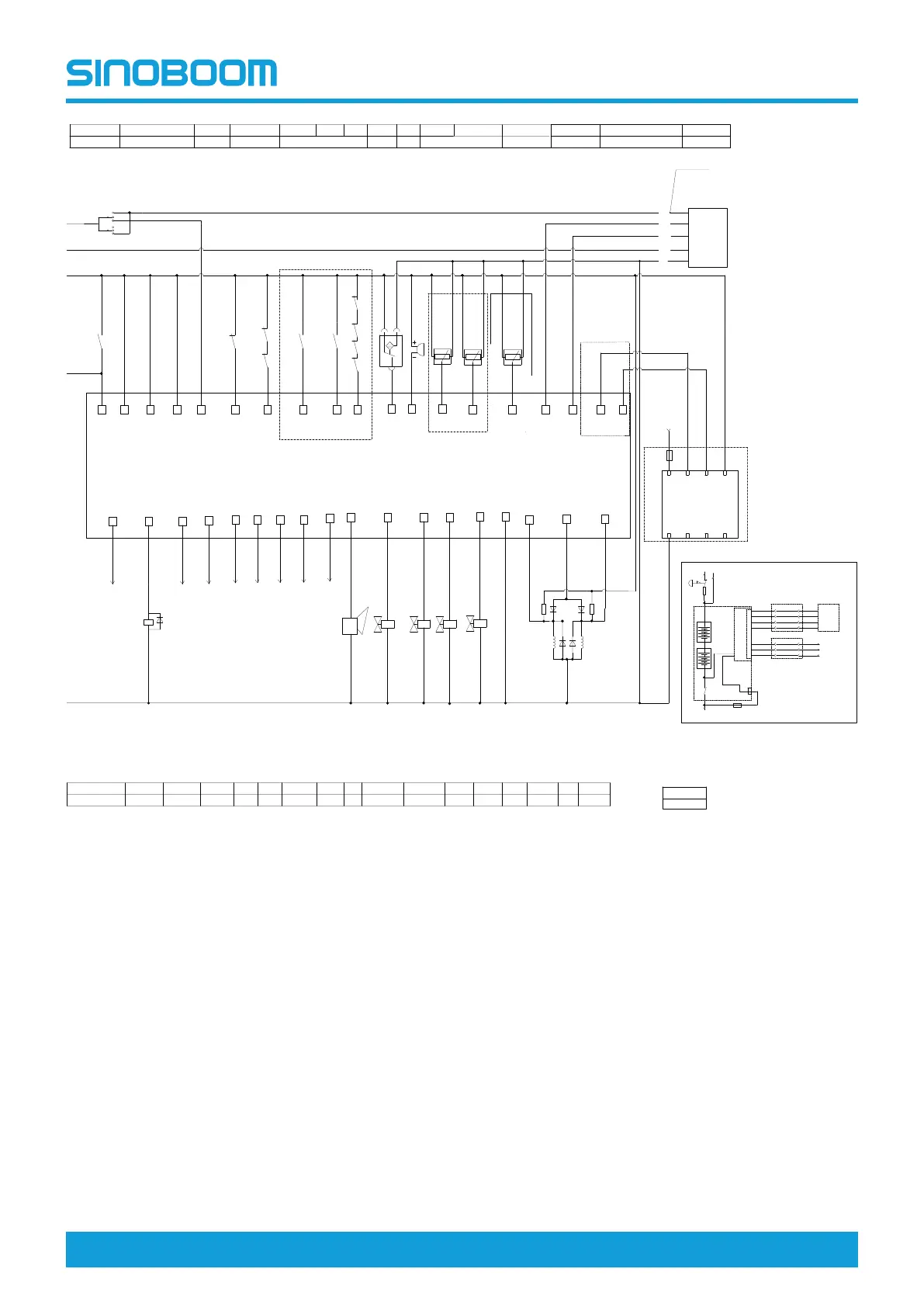
Figure 6-44 Electrical Schematic (PN.101040063076)-2
05x
B
B1
1
3
2
4
06
09
SA1
Brown
Black
Blue
4
3
1
Red
Yellow
Green
2
1
A-2C A-4A A-5A A-2B A-11B
A-12C
A-10B
A-1A
A-11C
A-9B A-4B
A-3C A-11A A-1B
A-1C
B-4 B-5
A-8A A-9A
A-4C
A-8C
A-7A
A-5B A-10C A-9C A-10A
A-5C
A-8B A-6A
A-6B A-7B
A-7C A-3B
SQ1
209
SQ2
210
SQ3
211
217
CANH
CANL
06
CANH
CANL
08
00
B-12
B-11
219
220
CAN1L
CAN1H
06
CANH
CANL
08
00
PLATFORM
PCBA
U6
U5
U4
L1
07
07
07
07
07
07
07
07
00
00
00
00
DT2
DT3
DT1b
DT1a
00
302
301
307
306
LB0
Ground
Right turn
Left turn
Platform lower
Platform raise
Horn
Pressure sensor 2
Pressure sensor 1
Angle sensor
Beeper
Lilt sensor
Collision
Foot Pedal
Pot holelinit switch
Down limit switch
Up limit switch
Reverse
Forward
Draw Enable
Speed output
Right brake coil
313
312
314
316
311
308
00
07
07
2K
2K
A-6C
317
315
310
213
214
215
222
L+
R+
R-
L-
304
303
305
Brake status
Blink input
Lift output
Key switch
Communication
Left brake
Brake
Right Brake
06
212
07
PCBA
PCU
NC
NC
NC
SQ4
HO
NC
NC
NC
NC
NO
NO
SQ5
SQ6
SQ7
SQ8
SQ9
Left brake coil
GPS
Model
1
(VCC)
4
(ACC)
8
3
CANH
6
CANL
GND
2
5
7
CAN1L
CAN1H
35
07
DI
01
F5(1A)
Used when lithium battery is equipped:
Charger
24V+
Charger
24V-
Charger
CANH
Charger
CANL
+
-
-
+
GND
200A
BMS
Charger
Key Signal 24V+
Machine CANH
Machine CANL
50A
08
CAN1H
CAN1L
A
B
E
C
D
K
L
1
A
B
C
2
3
4
CH1
275A
Main power switch
01
B-14
321
K3
MC Power Relay
SQ10
NO
Hight Lift Rangr Walk
GPS Model
0.75mm2
Option Option
Option
Down limit switch
Collision
Foot Pedal
Pothole limit
switch
Up limit switch
Hight Lift
Rangr Walk
Red
Yellow
Green
Red
Yellow
Green
GND
Right turn
Left turn
Lower
Raise
Left brake
Brake
Right Brake
Reverse
Forward
Drive
Enable
Speed
output
Brake
status
Lift
output
Blink input
Enable

Table of Contents

Related product manuals