EasyManua.ls Logo

Sinoboom 0607SE - Hydraulic Schematic

Sinoboom 0607SE
114 pages
Print Icon
To Next Page IconTo Next Page
To Next Page IconTo Next Page
To Previous Page IconTo Previous Page
To Previous Page IconTo Previous Page
Loading...
© Jan 2022 6-12 0607SE Maintenance Manual
REPAIR
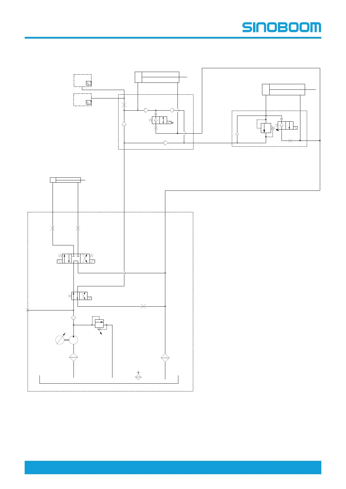
Hydraulic Schematic
M
190bar
M
Y1
Y2
Y3
B
A
CSE
Y5
C
Y4
CSE
D
C
A
B
M1
M2
Steering cylinder
Lower lift cylinder
Upper lift cylinder
(Option)
Overload sensor
Overload sensor
A1
B1
A
B

Table of Contents

Related product manuals