EasyManua.ls Logo

Sofar HYD 5KTL-3PH - Page 42

Sofar HYD 5KTL-3PH
120 pages
Print Icon
To Next Page IconTo Next Page
To Next Page IconTo Next Page
To Previous Page IconTo Previous Page
To Previous Page IconTo Previous Page
Loading...
HYD 5/6/8/10/15/20KTL-3PH USER MANUAL
40
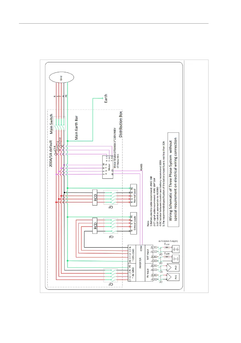
5.4.2 System B: measurement with smart meter + CTs(200 A/5 A
default)
Figure. 5-4 Electrical connections(Plan B:Meter+CT)

Related product manuals