EasyManua.ls Logo

Sofar HYD 5KTL-3PH - Functional Features

Sofar HYD 5KTL-3PH
120 pages
Print Icon
To Next Page IconTo Next Page
To Next Page IconTo Next Page
To Previous Page IconTo Previous Page
To Previous Page IconTo Previous Page
Loading...
HYD 5/6/8/10/15/20KTL-3PH USER MANUAL
12
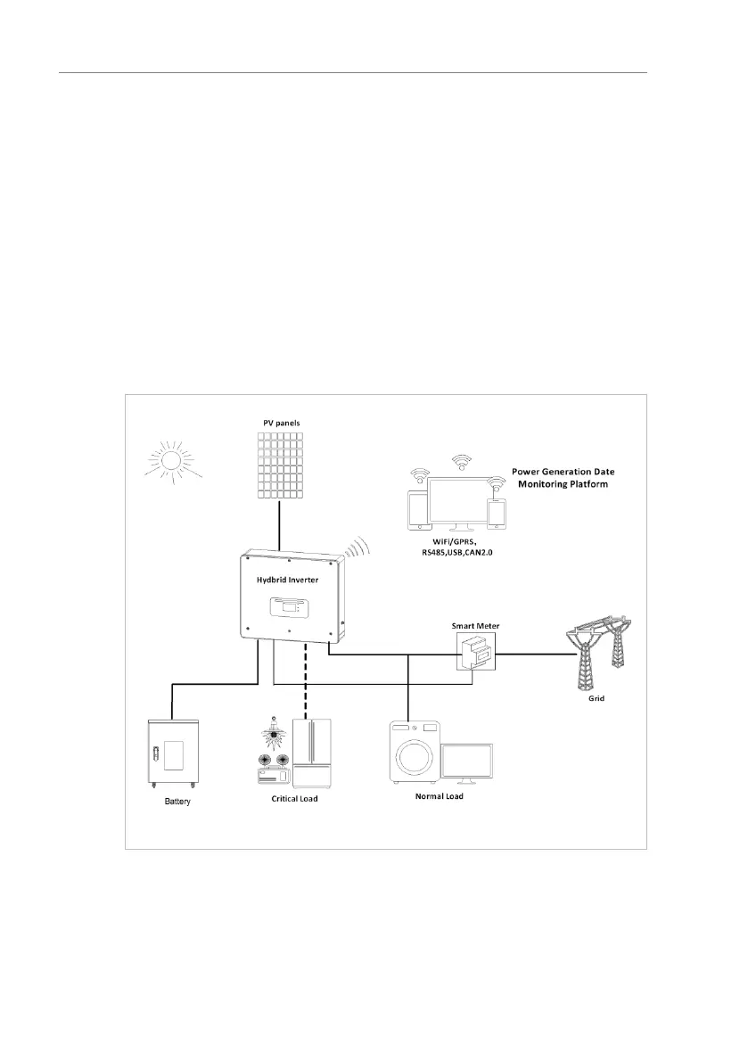
3 Product features
This chapter describes the product features, dimensions and
efficiency levels.
3.1 Product information
The HYD 5/6/8/10/15/20KTL-3PH is a grid-coupled PV and energy
storing inverter which can also supply energy in stand-alone
operation. The HYD 5/6/8/10/15/20KTL-3PH has integrated
energy management functions which cover a wide range of
application scenarios.
Figure. 3-1 HYD 5/6/8/10/15/20KTL-3PH inverter system diagram
HYD 5/6/8/10/15/20KTL-3PH inverters may only be used with
photovoltaic modules which do not require one of the poles to

Related product manuals