EasyManua.ls Logo

Sonosax SX-R4+ - 4 Block Diagram

Sonosax SX-R4+
55 pages
Print Icon
To Next Page IconTo Next Page
To Next Page IconTo Next Page
To Previous Page IconTo Previous Page
To Previous Page IconTo Previous Page
Loading...
SONOSAX SX-R4
+
User manual / Hardware description Page 11 of 12
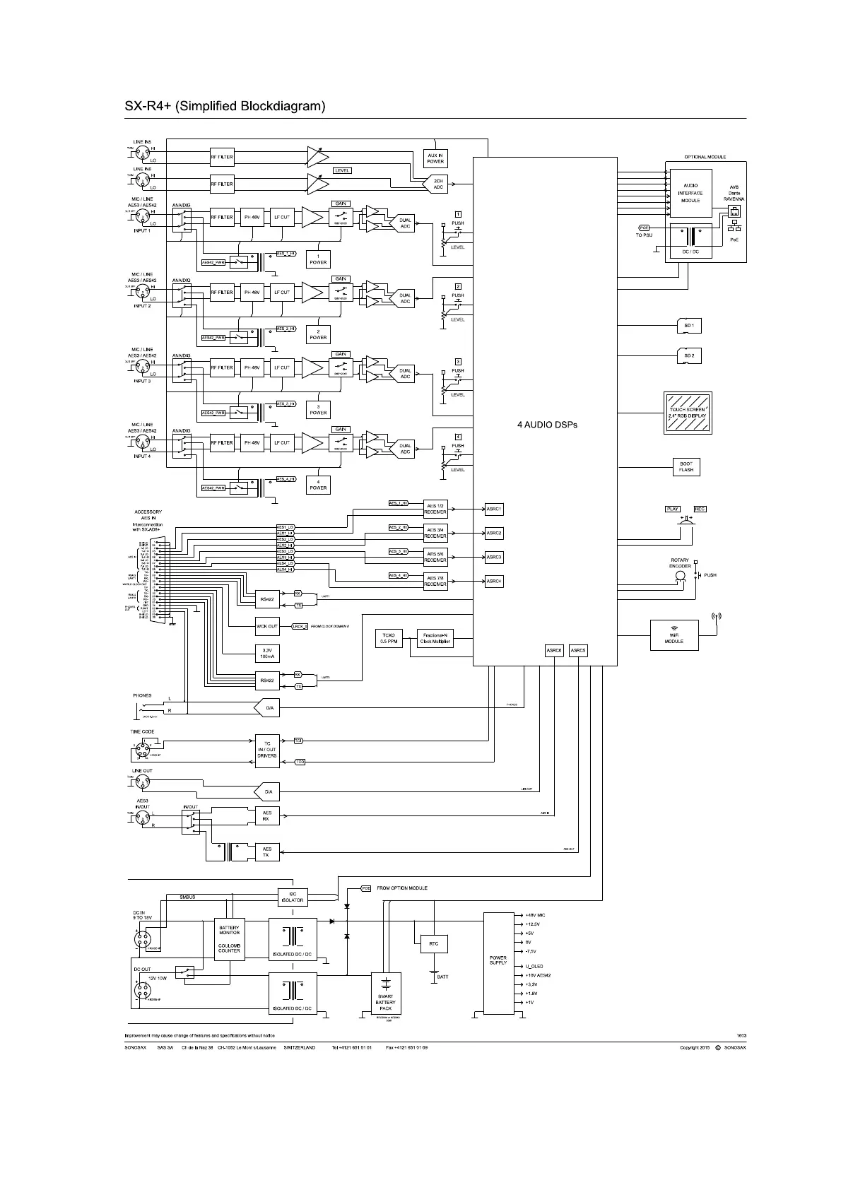
4. BLOCK DIAGRAM

Table of Contents